Oggi è giovedì 12 marzo 2026, 7:27

Tutti gli orari sono UTC + 1 ora [ ora legale ]




Apri un nuovo argomento Rispondi all’argomento  [ 23 messaggi ]  Vai alla pagina 1, 2  Prossimo
Autore Messaggio
 Oggetto del messaggio: Alimentatore analogico autocostruito - quesito.
MessaggioInviato: mercoledì 22 febbraio 2023, 13:28 
Non connesso

Nome: Marco Di Stefano
Iscritto il: lunedì 17 ottobre 2022, 15:58
Messaggi: 23
Buongiorno a tutti. Complice la giacenza in cantina di svariato materiale inutilizzato, mi sto cimentando nella costruzione di un alimentatore con uscita 12V 5A in continua, con invertitore bipolare, voltmetro digitale, e la cui tensione è regolata con dimmer 0-100% (di quelli per le strisce di luci a led, per intenderci).
Con tutti i modelli in mio possesso (Lima, RR, Vitrains, Oskar) fornendo bassissima tensione, accade che questi:
_ emettano un suono simile ad un sibilo/fischio;
_ le luci direzionali accese siano opposte rispetto al senso di marcia.
Aumentando i volt apportati, naturalmente, i modelli iniziano a procedere, i fari assumono l'aspetto corretto rispetto alla direzione ed il sibilo cessa.
Tecnicamente, perchè succede?


Top
 Profilo  
 
 Oggetto del messaggio: Re: Alimentatore analogico autocostruito - quesito.
MessaggioInviato: mercoledì 22 febbraio 2023, 17:46 
Non connesso

Iscritto il: mercoledì 20 settembre 2006, 20:44
Messaggi: 6404
Località: Sorbolo di Sorbolo Mezzani (PR)
Semplice, stai usando il modo sbagliato di regolare la tensione: la corrente continua non si regola con un dimmer per luci. **
Devi costruire un alimentatore apposito, o lineare in tensione o PWM.
Con il lineare riesci a far girare anche locomotive digitali.
Con il PWM non devi far girare locomotive digitali, rischi di sprogrammare il decoder.(C'è chi sostiene il contrario, fatti suoi fino a quando non gli distrugge un decoder, magari sonoro.)

Mi pare di capire che di elettronica di potenza sei a digiuno, altrimenti non avresti fatto l'accrocco, se vuoi sapere il perchè non funziona correttamente e ronza te lo posso anche spiegare, ma devo sapere cosa sai di elettrotecnica ***, diversamente non ci capisci nulla; e non bastano 10 parole (a scuola teoricamente lo sai alla fine del terzo anno al professionale o al quinto se ITIS).

**
Il principo è anche giusto, ma i circuiti e i componenti sono completamente diversi.
I led e le lampadine si accendono anche in corrente continua, ma è un mondo a parte dove a comandare prima delle leggi dell'elettrotecnica vengono quelle dell'ottica.

***
L'elettronica è nipote dell'elettrotecnica, in mezzo ci stanno i figli, per farla breve Tesla e Marconi, solo per citarne due.


Top
 Profilo  
 
 Oggetto del messaggio: Re: Alimentatore analogico autocostruito - quesito.
MessaggioInviato: mercoledì 22 febbraio 2023, 19:11 
Non connesso

Nome: Marco Di Stefano
Iscritto il: lunedì 17 ottobre 2022, 15:58
Messaggi: 23
Chiarissimo. Che qualcosa fosse anomalo era evidente. A livello scolastico e professionale mi sono formato in altro modo, ho dunque ipotizzato che il rumore provenisse dal motore.
Per sintetizzare il discorso, se non è cosa complessa, per regolare la tensione cosa occorrerebbe?


Top
 Profilo  
 
 Oggetto del messaggio: Re: Alimentatore analogico autocostruito - quesito.
MessaggioInviato: mercoledì 22 febbraio 2023, 20:58 
Non connesso

Iscritto il: lunedì 16 gennaio 2006, 23:17
Messaggi: 342
Le consiglio di andare sul sito di vendite on-line che tutti noi conosciamo e con pochi euro troverà molti regolatori di tensione per il suo scopo.


Top
 Profilo  
 
 Oggetto del messaggio: Re: Alimentatore analogico autocostruito - quesito.
MessaggioInviato: giovedì 23 febbraio 2023, 2:18 
Non connesso

Iscritto il: mercoledì 20 settembre 2006, 20:44
Messaggi: 6404
Località: Sorbolo di Sorbolo Mezzani (PR)
Beh, 5 Amper sono già tanti.
Anche ipotizzando un treno di due locomotive e 10 carrozze illuminate 2 A bastano e avanzano di parecchio.
Tipicamente si fanno alimentatori da 3 A giusto per non essere tirati se si fanno andare due treni contemporaneamente.

Sì, in rete trovi tante proposte, ma bisogna saperle valutare:
- un alimentatore superstabilizzato da laboratorio è inutile per dei trenini
- allo stesso modo un regolatore di tensione da 10 € potrebbe durare poco, e magari poi bisoga aggiungerci un tasformatore e altro, quindi non è più economico.

Il primo problema da affrontare per l'autocostruzione è la reperibilità dei componenti, oggi si fa fatica a trovare negozi che vendono il pezzo singolo, e in rete non sempre conviene sia per il prezzo finale sia per le quantità minime.

Ma tra i materiali cosa hai di utilizzabile:
- trasformatore e con quale tensione di uscita al secondario?
- dissipatore di calore per transistor
- altri compnenti elettrici ed elettonici.

Ma se non hai conoscenze pratiche di costruzione di queste apparecchiature, direi che è meglio che né acquisti uno già pronto all'uso e nato appositamente per i trenini.
Fatti anche un giro tra i cataloghi dei più noti produttori presenti in Italia, es: Hornby, Piko, Roco/Fleischmann.
Magari trovi anche qualcosa di valido sul mercato dell'usato.


Top
 Profilo  
 
 Oggetto del messaggio: Re: Alimentatore analogico autocostruito - quesito.
MessaggioInviato: giovedì 23 febbraio 2023, 9:09 
Non connesso

Iscritto il: sabato 27 ottobre 2007, 9:02
Messaggi: 2853
Località: Torino
ALn668-12XX ha scritto:
Buongiorno a tutti. Complice la giacenza in cantina di svariato materiale inutilizzato, mi sto cimentando nella costruzione di un alimentatore con uscita 12V 5A in continua, con invertitore bipolare, voltmetro digitale, e la cui tensione è regolata con dimmer 0-100% (di quelli per le strisce di luci a led, per intenderci).
Con tutti i modelli in mio possesso (Lima, RR, Vitrains, Oskar) fornendo bassissima tensione, accade che questi:
_ emettano un suono simile ad un sibilo/fischio;
_ le luci direzionali accese siano opposte rispetto al senso di marcia.
Aumentando i volt apportati, naturalmente, i modelli iniziano a procedere, i fari assumono l'aspetto corretto rispetto alla direzione ed il sibilo cessa.
Tecnicamente, perchè succede?


Ciao i fenomeni da te descritti derivano dal segnale generato dal dimmer (il PWM) che ai bassi regimi fa lavorare ad impulso i motori, in pratica gli avvolgimenti del motore, assimilabili a induttanze, quando il segnale pwm del dimmer è alto, si caricano, il motore (se non stalla) gira e si accendono le lampadine o led nella direzione corretta ma, quando il segnale del motore va a zero è come se il dimmer si scollegasse dalle rotaie e la carica accumulata negli avvoglimenti del motore (forza controelettromotrice o BEMF) viene erogata sa esso ma in valore anche con picchi spuri negativi e quindi si accendono le luci inverse della loco. Questo ciclo, essendo ripetuto parecchie volte al secondo ti da l'impressione te tutte le luci siano accese contemporaneamente.
Quando poi man mano aumenti la tensione, il segnale del dimmer, si avvicina sempre più ad una tensione continua, le luci corrette saranno sempre più accese e quelle sbagliate sempre più spente.
Questo è un fenomeno che avviene in quasi tutti gli alimentatori pwm non specifici per il modellismo.
La via più semplice e di collegare in parallelo alle luci un condensatore ceramico o poliestere da 1 uF che faccia da filtro, nei modelli odierni con illuminazione a led, se ne trovano parecchi sul pcb proprio perché i led sono molto più sensibili a questo fenomeno rispetto alle lampadine tradizionali.

Ciao
Despx


Top
 Profilo  
 
 Oggetto del messaggio: Re: Alimentatore analogico autocostruito - quesito.
MessaggioInviato: giovedì 23 febbraio 2023, 12:06 
Non connesso

Nome: Marco Di Stefano
Iscritto il: lunedì 17 ottobre 2022, 15:58
Messaggi: 23
Grazie intanto per le cordiali e tempestive risposte, soprattutto quelle di carattere tecnico. Ho dunque compreso. Sul noto sito di acquisti/vendite ho già dato una occhiata, e considerata la mia non preparazione in materia di elettronica penso proprio che ne acquisterò uno creato allo scopo. Per il momento, essendo ancora legato al sistema analogico, mi interessava un dispositivo che lavori il più possibile a bassi regimi, ecco spiegata la mia scelta iniziale, per quanto errata, di ricorrere ad un dimmer 0/100 anche se naturalmente determinate condizioni, se ho inteso, si possono ottenere solo in DCC. Un saluto.


Top
 Profilo  
 
 Oggetto del messaggio: Re: Alimentatore analogico autocostruito - quesito.
MessaggioInviato: giovedì 23 febbraio 2023, 14:06 
Non connesso

Iscritto il: mercoledì 20 settembre 2006, 20:44
Messaggi: 6404
Località: Sorbolo di Sorbolo Mezzani (PR)
In verità eccellenti prestazioni a basse velocità in analogico, ma sempre motore permettendo **, le ottieni solo con un alimentatore PWM unipolare, ma ad una condizione: il modello deve essere di quelli datati con soli motore e lampadine (i led sui modelli all'epoca manco si ipotizzanavo), e al limite i filtri antidisturbo (che magari vanno eliminati).
In sostanza, la differenza la fa il motore installato, se è scarso anche un buon alimentatore o/e decoder DCC non fanno più di tanto: bisogna accontentarsi, con un alimentatore PWM le lampadine si accendono sempre alla massima luminosità.

In definitiva, basse tensioni (meno di 2,5V) ti servono solo se vuoi fare manovre a velocità "quasi realistiche" almeno a vedersi: in ogni caso i modelli datati a 12 V riproducono una velocità reale ben oltre a quella dei treni reali AV di oggi.

In ultimo, per i modelli da metà anni '90 in avanti bisogna vedere anche il PCB che hanno a bordo, su alcuni modelli già c'erano: led, resistenze, condensatori, induttanze che possono non essere compatibili con un regolotare PWM, di fatto dipende dalla frequenza del PWM e dal dimesionamento dei componenti stessi.
In ogni caso se la frequenza del PWM è inferiore a 20-22 kHz il motore lo senti molto spesso ronzare anche alle velocità più alte: dipende dal motore in primis, poi dal tuo orecchio.
Devi verificare modello per modello.



**
Se sono motori fino a metà anni '80 e per alcuni anche oltre, il motore non è detto che si avvii e giri a tensioni inferiori a 3/4 V, quindi la risposta non è lineare, a vuoto (locomotiva a ruote all'aria), magari risponde decentemente, ma poi una volta sui binari no.

++++++++++++++
Per la cronaca, i dimmer per regolare le lampade e alcuni anche per i led, lavorano spesso sulla parzializzazione delle semionde in alternata (sono bipolari), mentre i PWM creano onde quadre partendo dalla corrente continua (unipolari o bipolari che siano), pertanto non sono adatti ai piccoli motori dei nostri trenini, e di conseguenza alla corretta accensione di lampade e led.
Poi qualcuno ti dirà che i regolatori di velocità per i motori in corrente continua funzionano anche lavorando sulla parzializzazione della semionda in alternata, è una cosa normale, ma è una storia completamente diversa e con circuiti più complessi di quelli di un dimmer.


Top
 Profilo  
 
 Oggetto del messaggio: Re: Alimentatore analogico autocostruito - quesito.
MessaggioInviato: giovedì 23 febbraio 2023, 14:28 
Non connesso

Nome: Marco Di Stefano
Iscritto il: lunedì 17 ottobre 2022, 15:58
Messaggi: 23
Grazie ulteriormente! In realtà i modelli sono "misti" per caratteristiche non tanto meccaniche quanto appunto elettroniche, nel senso che alcuni datati 25 anni ca. hanno motore 3 poli e lampade a filamento, quindi nessun pcb. Quelli di epoca intermedia (motore a 5 poli, analoghi per il resto) fino ai più recenti con motore 5 poli, pcb luci, no decoder solo predisposizione. Inoltre, da parte ho qualche ancor più remoto modello ancora con motore "G" senza luci. Oltretutto, sto valutando (ma molto molto gradatam€nt€...) di dotare i modelli più vecchi di pcb (ho già scaricato alcune istruzioni), in modo da "allinearli" ai restanti più recenti, anche perchè questi ultimi sono in prevalenza numerica, ma questo è un discorso a parte.


Top
 Profilo  
 
 Oggetto del messaggio: Re: Alimentatore analogico autocostruito - quesito.
MessaggioInviato: giovedì 23 febbraio 2023, 17:08 
Non connesso

Nome: Marco Di Stefano
Iscritto il: lunedì 17 ottobre 2022, 15:58
Messaggi: 23
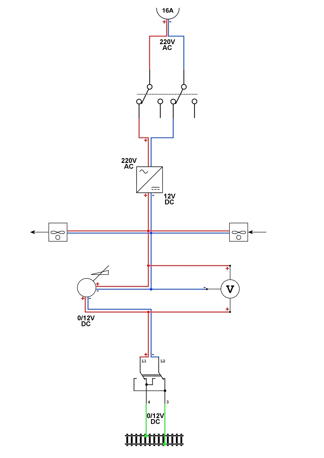
Ho risolto, e la cosa stupefacente è che funziona anche! :D Allego foto e schema di cablaggio.
Stavolta ho collegato un potenziometro economico, ma all'evidenza più idoneo rispetto al dimmer per luci, nel senso che fatte le opportune prove specialmente a bassi regimi i modelli finalmente reagiscono come dovrebbero.
Il potenziometro al minimo fornisce 0,8V. Naturalmente non facciamo caso ai cavi: ho utilizzato quelli che avevo. Fatto ciò monterò tutto all'interno di un box in pvc, con tanto di ventole di raffreddamento per PC.


Allegati:
SCHEMA ELETTRICO.jpg
SCHEMA ELETTRICO.jpg [ 114.63 KiB | Osservato 4832 volte ]
20230223_164849.jpg
20230223_164849.jpg [ 108.19 KiB | Osservato 4832 volte ]
20230223_164908.jpg
20230223_164908.jpg [ 256.85 KiB | Osservato 4832 volte ]
Top
 Profilo  
 
 Oggetto del messaggio: Re: Alimentatore analogico autocostruito - quesito.
MessaggioInviato: giovedì 23 febbraio 2023, 21:05 
Non connesso

Iscritto il: sabato 27 ottobre 2007, 9:02
Messaggi: 2853
Località: Torino
Te credo che hai risolto...hai realizzato un alimentatore con uscita in continua! Se al posto dello switching, usavi un umile LM317 ottenevi lo stesso risultato. :lol:

Comunque è bene ciò che finisce bene...

Buon divertimento :wink:
Despx


Top
 Profilo  
 
 Oggetto del messaggio: Re: Alimentatore analogico autocostruito - quesito.
MessaggioInviato: giovedì 23 febbraio 2023, 21:22 
Non connesso

Iscritto il: mercoledì 20 settembre 2006, 20:44
Messaggi: 6404
Località: Sorbolo di Sorbolo Mezzani (PR)
Spudoratamente hai messo in partica l'unica soluzione possibile per coprire tutta la gamma dei modelli che hai.

Unica cosa, quel regolatore con quei dissipatori non deve erogare più di 1,2 A, pertanto non hai i 5 A che desideri. A preschindere da cosa c'è scritto sull scatola dell'apparecchio.

Per avere una corrente maggiore ci vugliono dissipaori con dimensioni ben maggiori, ma soprattuto che i componenti montati sul dissipatore siano in grado di gestire tale corrente.
Pertanto la prima cosa da sapere è cosa sono quei due componenti: sigla scritta sopra, dopo di che si tolgono da lì a si montano su dissipatori di maggiori dimensioni, in volume circa 8/10 volte.


Top
 Profilo  
 
 Oggetto del messaggio: Re: Alimentatore analogico autocostruito - quesito.
MessaggioInviato: giovedì 23 febbraio 2023, 21:38 
Non connesso

Iscritto il: martedì 21 marzo 2017, 12:08
Messaggi: 1701
Ma basta anche una ventolina da pc


Top
 Profilo  
 
 Oggetto del messaggio: Re: Alimentatore analogico autocostruito - quesito.
MessaggioInviato: giovedì 23 febbraio 2023, 21:55 
Non connesso

Iscritto il: lunedì 16 gennaio 2006, 10:05
Messaggi: 1682
Località: Roma
despx ha scritto:
Se al posto dello switching, usavi un umile LM317 ottenevi lo stesso risultato. :lol:

Che mi hai ricordato, il santo LM317 della Texas che risolse i miei problemi di adolescente (non con le ragazze ma con la regolazione di velocità). Ero piccolo, avevo un alimentatore da 12V fissi da un paio di Ampere, pensavo che un potenziometro in serie bastasse per gestire le motrici Rivarossi, che fiammate invece. La dura strada degli autodidatti... poi fortunatamente scoprii le meraviglie del datasheet dell' LM317.


Top
 Profilo  
 
 Oggetto del messaggio: Re: Alimentatore analogico autocostruito - quesito.
MessaggioInviato: giovedì 23 febbraio 2023, 23:42 
Non connesso

Iscritto il: mercoledì 20 settembre 2006, 20:44
Messaggi: 6404
Località: Sorbolo di Sorbolo Mezzani (PR)
Etsero17 ha scritto:
Ma basta anche una ventolina da pc


Non sempre, anzi.
Ma se poi quei componenti sono da 3 A e dissipano solo 15 W hai voglia di mettere ventole. Sperficie dissipante e ventola devo avere opportuni rapporti tra di loro, altrimenti muovi solo aria per niente.
Prima bisogna vedere cosa sono esattamente, dopo si ragiona.

Se da 14 V in ingresso (che è il minimo) vuoi ottenere 2 V con 2 A di assorbimento devi dissipare 24 W (12 V di caduta x 2 A di corrente circolante), la fisica mica l'ho inventata io.


Top
 Profilo  
 
Visualizza ultimi messaggi:  Ordina per  
Apri un nuovo argomento Rispondi all’argomento  [ 23 messaggi ]  Vai alla pagina 1, 2  Prossimo

Tutti gli orari sono UTC + 1 ora [ ora legale ]


Chi c’è in linea

Visitano il forum: Baidu [Spider] e 16 ospiti


Non puoi aprire nuovi argomenti
Non puoi rispondere negli argomenti
Non puoi modificare i tuoi messaggi
Non puoi cancellare i tuoi messaggi
Non puoi inviare allegati

Cerca per:
Vai a:  
banner_piko

Duegi Editrice - Via Stazione 10, 35031 Abano Terme (PD). Italy - Tel. 049.711.363 - Fax 049.862.60.77 - duegi@duegieditrice.it - shop@duegieditrice.it
Direttore editoriale: Luigi Cantamessa - Amministratore unico: Federico Mogioni - Direttore responsabile: Pietro Fattori.
Registro Operatori della Comunicazione n° 37957. Partita iva IT 05448560283 Tutti i diritti riservati Duegi Editrice Srl