Oggi è martedì 21 aprile 2026, 16:54

Tutti gli orari sono UTC + 1 ora [ ora legale ]




Apri un nuovo argomento Rispondi all’argomento  [ 5 messaggi ] 
Autore Messaggio
 Oggetto del messaggio: LED POSIZIONE AGHI DEGLI SCAMBI
MessaggioInviato: sabato 11 gennaio 2014, 15:39 
Non connesso

Iscritto il: mercoledì 11 settembre 2013, 14:58
Messaggi: 2
Buongiorno a tutti.
Vorrei nel mio plastico, riportare sul quadro comandi, dei led che riportano la posizione degli scambi; così quando muovo di posizione il deviatore , mi si illuminerebbe il led sul quadro e così so la posizione senza andare a vedere che magari è lontano da me.
Grazie.


Top
 Profilo  
 
 Oggetto del messaggio: Re: LED POSIZIONE AGHI DEGLI SCAMBI
MessaggioInviato: sabato 11 gennaio 2014, 16:01 
Non connesso

Iscritto il: venerdì 27 gennaio 2006, 13:12
Messaggi: 1534
Questa possibilità ha angustiato per decenni i poveri fermodellisti.. :wink:
Oggi è abbastanza semplice da realizzare in vari modi la ripetizione della posizione esatta degli aghi di uno scambio sul quadro sinottico del plastico, il problema è come essere certi che effettivamente lo scambio sia in quella posizione e ciò sarebbe realizzabile solo se lo switch che illumina i due led fosse collegato meccanicamente agli aghi stessi, in tal caso la ripetizione sinottica della posizione sarebbe sicura al 100%.
In realtà gli switch che possono produrre la ripetizione sinottica della posizione dello scambio sono collegati generalmente al motore (a movimento lento o elettromagnetico) che aziona lo scambio stesso e, diciamo che in buona approssimazione, la ripetizione è corretta salvo quando succede (e succede anche se di rado) che il motore si muove ma per ragioni meccaniche (un blocco un ostacolo una rottura) gli aghi dello scambio no!! Quindi anche in tal caso la sicurezza al 100% della esatta posizione dello scambio non l'avrai mai.
Una soluzione molto efficace ma delicata e modellisticamente complessa per la sua realizzazione (soprattutto per nascondere il dispositivo alla vista) è quella di usare un circuito elettrico separato collegato aghi del deviatoio, questo circuito si chiuderà su due lamelle di rame molto elastiche e sottili poste sulla parte esterna delle due rotaie che compongono gli aghi stessi, all'incirca al centro degli aghi e magari nascoste dietro ad una traversina, fissate al piano del plastico e collegate a due fili, in tal caso lo spostamento in deviata dello scambio toccherebbe la lamella 1, quello in corretto tracciato la lamella 2 queste saranno collegate al circuito dei due led alimentati, come detto, separatamente con una tensione idonea con interposta una resistenza limitatrice di corrente.
Forse non sarò stato molto chiaro ci vorrebbe un disegno che chiarirebbe immediatamente quanto detto
Giancarlo


Top
 Profilo  
 
 Oggetto del messaggio: Re: LED POSIZIONE AGHI DEGLI SCAMBI
MessaggioInviato: sabato 11 gennaio 2014, 16:15 
Non connesso

Iscritto il: mercoledì 11 settembre 2013, 14:58
Messaggi: 2
Ciao Gianca
si ho capito il tuo suggerimento e ti ringrazio molto però innanzitutto ho degli scambi della roco geoline e, a dire il vero, la situazione della traiettoria ripetuta sul q.e. l'ho già realizzata per quanto riguarda lo scambio semplice ma ora mi si prospetta il problema sul triplo.
Quello sul semplice l'ho risolto saldando i led a doppia luce, rossa e verde, sotto i binari dello scambio alimentato in dcc e devo dire che sono soddisfatto per come risponde il tutto.
Mi sa che per il triplo e per quello inglese dovrò ricorrere ai circuiti integrati (sono perito elettronico).


Top
 Profilo  
 
 Oggetto del messaggio: Re: LED POSIZIONE AGHI DEGLI SCAMBI
MessaggioInviato: sabato 11 gennaio 2014, 16:19 
Non connesso

Iscritto il: venerdì 27 gennaio 2006, 13:12
Messaggi: 1534
Si quello della soluzione elettronica va benone ma senza scomodare gli integrati forse potresti lavorare con una più semplice matrice a diodi?
Giancarlo


Top
 Profilo  
 
 Oggetto del messaggio: Re: LED POSIZIONE AGHI DEGLI SCAMBI
MessaggioInviato: sabato 11 gennaio 2014, 22:52 
Non connesso

Iscritto il: venerdì 6 gennaio 2012, 16:05
Messaggi: 1026
Località: Bagno di Gavorrano - Follonica GR
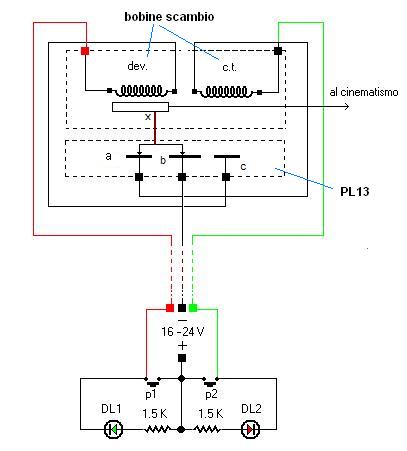
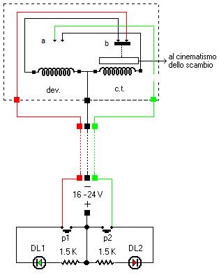
Ciao, ci sarebbero questi circuiti:

Allegato:
SCAMBI FIG 7.JPG
SCAMBI FIG 7.JPG [ 18.84 KiB | Osservato 4336 volte ]

Allegato:
SCAMBI FIG 9.JPG
SCAMBI FIG 9.JPG [ 23.57 KiB | Osservato 4336 volte ]

Allegato:
SCAMBI FIG 10.JPG
SCAMBI FIG 10.JPG [ 28.05 KiB | Osservato 4336 volte ]



Sono tutti a questo link con tutte le spiegazioni, ma bisogna essere registrati al forum per vederlo

http://www.grix.it/viewer.php?page=9741

Massimo


Top
 Profilo  
 
Visualizza ultimi messaggi:  Ordina per  
Apri un nuovo argomento Rispondi all’argomento  [ 5 messaggi ] 

Tutti gli orari sono UTC + 1 ora [ ora legale ]


Chi c’è in linea

Visitano il forum: Nessuno e 14 ospiti


Non puoi aprire nuovi argomenti
Non puoi rispondere negli argomenti
Non puoi modificare i tuoi messaggi
Non puoi cancellare i tuoi messaggi
Non puoi inviare allegati

Cerca per:
Vai a:  
banner_piko

Duegi Editrice - Via Stazione 10, 35031 Abano Terme (PD). Italy - Tel. 049.711.363 - Fax 049.862.60.77 - duegi@duegieditrice.it - shop@duegieditrice.it
Direttore editoriale: Luigi Cantamessa - Amministratore unico: Federico Mogioni - Direttore responsabile: Pietro Fattori.
Registro Operatori della Comunicazione n° 37957. Partita iva IT 05448560283 Tutti i diritti riservati Duegi Editrice Srl