Oggi è lunedì 27 aprile 2026, 19:37

Tutti gli orari sono UTC + 1 ora [ ora legale ]




Apri un nuovo argomento Rispondi all’argomento  [ 7 messaggi ] 
Autore Messaggio
 Oggetto del messaggio: Cerco disegno dello stemma FS alato dell'ETR 220 vedi foto
MessaggioInviato: sabato 9 ottobre 2021, 19:23 
Non connesso

Iscritto il: sabato 3 novembre 2018, 4:21
Messaggi: 153
Come da titolo sono alla ricerca di un disegno FS dello stemma alato quello posto sul frontale degli ETR 220.Grazie Gianfranco


Allegati:
normal_fs_d_214_1130_stemma_vernio_(101).jpg
normal_fs_d_214_1130_stemma_vernio_(101).jpg [ 255.36 KiB | Osservato 2689 volte ]
Top
 Profilo  
 
 Oggetto del messaggio: Re: Cerco disegno dello stemma FS alato dell'ETR 220 vedi fo
MessaggioInviato: sabato 9 ottobre 2021, 21:17 
Non connesso

Nome: Santino Toscano
Iscritto il: martedì 7 febbraio 2017, 6:04
Messaggi: 1970
Località: Monza
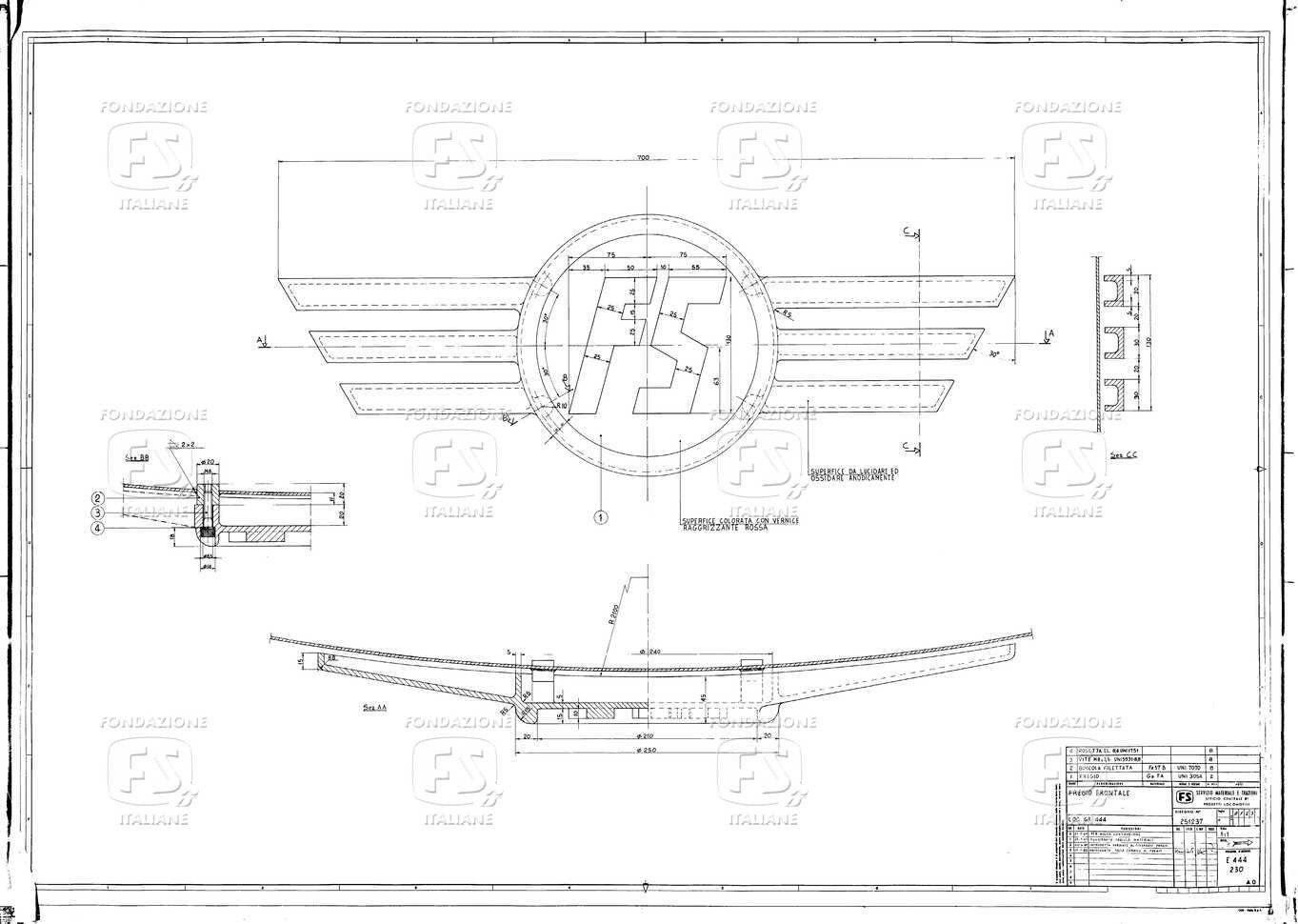
Ciao, sul sito Fondazione FS ho trovato questo

Allegato:
AR_01_02_02_0008_00_0005(1).jpg
AR_01_02_02_0008_00_0005(1).jpg [ 180.5 KiB | Osservato 2623 volte ]


è quello della E444 ... ma mi sembra perfetto

Ciao


Top
 Profilo  
 
 Oggetto del messaggio: Re: Cerco disegno dello stemma FS alato dell'ETR 220 vedi fo
MessaggioInviato: lunedì 11 ottobre 2021, 18:18 
Non connesso

Iscritto il: sabato 3 novembre 2018, 4:21
Messaggi: 153
Grazie sei stato gentilissimo


Top
 Profilo  
 
 Oggetto del messaggio: Re: Cerco disegno dello stemma FS alato dell'ETR 220 vedi fo
MessaggioInviato: lunedì 11 ottobre 2021, 22:26 
Non connesso

Nome: Santino Toscano
Iscritto il: martedì 7 febbraio 2017, 6:04
Messaggi: 1970
Località: Monza
Figurati :wink:


Top
 Profilo  
 
 Oggetto del messaggio: Re: Cerco disegno dello stemma FS alato dell'ETR 220 vedi fo
MessaggioInviato: lunedì 11 ottobre 2021, 22:40 
Non connesso

Iscritto il: mercoledì 30 marzo 2011, 10:48
Messaggi: 1653
Località: Regno delle Due Sicilie
Il fregio della prima foto è di un automotore 214 serie 1000 (fregio piatto e baffi molto lunghi)

Il disegno inviato da Santino invece è quello di un fregio delle E444 come già specificato (Fregio curvo per adattarsi al frontale bombato delle tartarughe)

Entrambi sono diversi dal fregio degli ETR220/240 (fregio piatto e baffi corti).

Basta vedere le foto dei rotabili reali.... 8)


Top
 Profilo  
 
 Oggetto del messaggio: Re: Cerco disegno dello stemma FS alato dell'ETR 220 vedi fo
MessaggioInviato: martedì 12 ottobre 2021, 9:03 
Non connesso

Iscritto il: venerdì 13 aprile 2007, 10:51
Messaggi: 933
Se proprio vuoi fare una versione particolare, l'ETR 220 conservato a Pistoia ha il fregio di un automotore 214


Top
 Profilo  
 
 Oggetto del messaggio: Re: Cerco disegno dello stemma FS alato dell'ETR 220 vedi fo
MessaggioInviato: martedì 12 ottobre 2021, 9:52 
Non connesso

Nome: Santino Toscano
Iscritto il: martedì 7 febbraio 2017, 6:04
Messaggi: 1970
Località: Monza
Superparallelo ha scritto:
Il fregio della prima foto è di un automotore 214 serie 1000 (fregio piatto e baffi molto lunghi)

Il disegno inviato da Santino invece è quello di un fregio delle E444 come già specificato (Fregio curvo per adattarsi al frontale bombato delle tartarughe)

Entrambi sono diversi dal fregio degli ETR220/240 (fregio piatto e baffi corti).

Basta vedere le foto dei rotabili reali.... 8)


Esatto Federico, purtroppo sul sito Fondazione FS questo è l'unico disegno quotato di fregio FS presente, per cui si tratta di addattalo alla bisogna accorciando i "baffi" laterali.
Un' ottima rappresentazione dei fregi FS, seppur a livello di semplice disegno (gif), è visibile sul sito di Giorgi Stagni

Ciao


Top
 Profilo  
 
Visualizza ultimi messaggi:  Ordina per  
Apri un nuovo argomento Rispondi all’argomento  [ 7 messaggi ] 

Tutti gli orari sono UTC + 1 ora [ ora legale ]


Chi c’è in linea

Visitano il forum: Google [Bot], Google Adsense [Bot], Yahoo [Bot] e 51 ospiti


Non puoi aprire nuovi argomenti
Non puoi rispondere negli argomenti
Non puoi modificare i tuoi messaggi
Non puoi cancellare i tuoi messaggi
Non puoi inviare allegati

Cerca per:
Vai a:  
banner_piko

Duegi Editrice - Via Stazione 10, 35031 Abano Terme (PD). Italy - Tel. 049.711.363 - Fax 049.862.60.77 - duegi@duegieditrice.it - shop@duegieditrice.it
Direttore editoriale: Luigi Cantamessa - Amministratore unico: Federico Mogioni - Direttore responsabile: Pietro Fattori.
Registro Operatori della Comunicazione n° 37957. Partita iva IT 05448560283 Tutti i diritti riservati Duegi Editrice Srl