Oggi è mercoledì 29 aprile 2026, 4:38

Tutti gli orari sono UTC + 1 ora [ ora legale ]




Apri un nuovo argomento Rispondi all’argomento  [ 11 messaggi ] 
Autore Messaggio
 Oggetto del messaggio: casse induttive note a fini modellistici
MessaggioInviato: giovedì 18 gennaio 2018, 11:29 
Non connesso

Iscritto il: mercoledì 20 febbraio 2008, 11:22
Messaggi: 1188
Località: trento
Il circuito di binario (c.d.b.) e’ un dispositivo elettrico che utilizzando le rotaie come conduttori rileva la presenza dei rotabili.
Per la teoria e pratica dei circuiti di binario al vero rimando a testi e note di tecnica ferroviaria, disponibili anche in rete, ove la materia è trattata a vari livello di approfondimento.
I cdb possono essere realizzati sia in corrente continua che alternata. Per varie ragioni, che non è qui il caso di approfondire, si è preferita l'alimentazione in corrente alternata.
In ferrovie elettrificate le rotaie sono utilizzate anche come circuito di ritorno della corrente di trazione.
Il modo più semplice di soddisfare entrambe le esigenze è quello di realizzare cdb con una sola rotaia isolata lasciando l'altra(collegata a terra) per il ritorno della corrente di trazione (ritorno TE).
Allegato:
cdb01.jpeg
cdb01.jpeg [ 48 KiB | Osservato 11621 volte ]

Allegato:
cdb1.jpeg
cdb1.jpeg [ 26.7 KiB | Osservato 11621 volte ]

Allegato:
cdb03.jpeg
cdb03.jpeg [ 79.3 KiB | Osservato 11621 volte ]

Sempre senza approfondire ulteriormente, il circuito ad una sola rotaia isolata mal si concilia con la realizzazione di cdb di lunghezza notevole quali quelli necessari a “coprire” le sezioni di Blocco Automatico in linea e pertanto il loro utilizzo è limitato alle località di servizio (Stazioni, etc..) quindi con cdb di relativamente limitata estensione ( in stazione la lunghezza dei cdb ad una sola rotaia isolata può arrivare al max di 700m)
In linea si preferiscono cdb con entrambe le rotaie isolate (si possono realizzare cdb fino a 2000m di lunghezza contro i max 400m.dei cdb a una sola rotaia isolata).
Con l'utilizzo della alimentazione dei cdb con correnti codificate per la ripetizione segnali in macchina, per meglio garantire il funzionamento del sistema, si è preferito realizzare anche sui binari di corsa delle stazioni cdb con entrambe le rotaie isolate.
Nei cdb con entrambe le rotaie isolate le si utilizza entrambe per il ritorno TE grazie alle cosidette connessioni induttive realizzate mediante, vedi figura, coppie di casse induttive opportunamente collegate.
Allegato:
cdb 2.jpeg
cdb 2.jpeg [ 45.17 KiB | Osservato 11621 volte ]

La cassa induttiva consiste in avvolgimento di poche spire di conduttore di rame o alluminio, di grossa sezione, avvolto su appropriato circuito magnetico (tali dispositivi sono alloggiati in contenitori a tenuta stagna posti nel presso del binario). Mentre è offerta bassa resistenza alla corrente di ritorno TE, la connessione induttiva offre notevolissima impedenza alla ca dei circuiti di binario, garantendo il corretto funzionamento di entrambi i circuiti. Vista l'alimentazione in ca dei cdb, le casse induttive possono essere utilizzate come trasformatori per alimentazione e ricezione dei cdb, tale sistema , almeno su FS/RFI, non è più utilizzato.


Top
 Profilo  
 
 Oggetto del messaggio: Re: casse induttive note a fini modellistici
MessaggioInviato: giovedì 18 gennaio 2018, 11:45 
Non connesso

Iscritto il: mercoledì 20 febbraio 2008, 11:22
Messaggi: 1188
Località: trento
Vediamo ora come erano realizzate presso le FS le connessioni induttive(limitandomi a quelle di linea e stazione...ci sarebbero anche quelle da SSE,,,)
negli anni 30/40/50
anni 30 linea Firenze Bologna DDma
Allegato:
ci ind annl30007 copia.jpg
ci ind annl30007 copia.jpg [ 125.96 KiB | Osservato 11613 volte ]


fine anni 40 primi 50
Allegato:
ci ind ansni 40 50 006.jpg
ci ind ansni 40 50 006.jpg [ 107.23 KiB | Osservato 11613 volte ]

purtroppo non ho disegni

negli anni 60/70 CI da 180 o 300A alcuni esempi
Westinghouse a trasformatore
Allegato:
west tr001.jpg
west tr001.jpg [ 42.82 KiB | Osservato 11613 volte ]
Allegato:
WEST 2.jpg
WEST 2.jpg [ 157.73 KiB | Osservato 11613 volte ]
Allegato:
WEST.jpg
WEST.jpg [ 134.82 KiB | Osservato 11613 volte ]

e più recenti(impianti fine 70 primi 80)
Allegato:
ci ind west 001.jpg
ci ind west 001.jpg [ 95.75 KiB | Osservato 11613 volte ]


Ansaldo
Allegato:
ci ind ansaldo 005.jpg
ci ind ansaldo 005.jpg [ 154.21 KiB | Osservato 11613 volte ]


Sasib seconda metà anni 70
Allegato:
Copia di ci ind sasib 003.jpg
Copia di ci ind sasib 003.jpg [ 96.56 KiB | Osservato 11613 volte ]
Allegato:
Copia di ci ind sasib 004.jpg
Copia di ci ind sasib 004.jpg [ 55.68 KiB | Osservato 11613 volte ]


Fatme...non ho documentazione salvo qs foto ove si intravedono appena
Allegato:
Copia di ci ind fatme 002.jpg
Copia di ci ind fatme 002.jpg [ 95.34 KiB | Osservato 11613 volte ]


Top
 Profilo  
 
 Oggetto del messaggio: Re: casse induttive note a fini modellistici
MessaggioInviato: giovedì 18 gennaio 2018, 12:17 
Non connesso

Iscritto il: mercoledì 20 febbraio 2008, 11:22
Messaggi: 1188
Località: trento
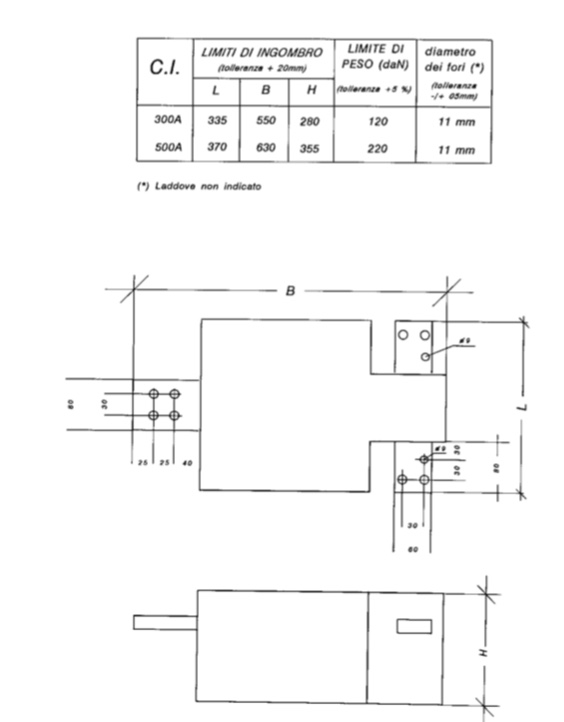
)nel 1977 no! nel 1988 (con la NT77) viene stabilito di utilizzare solo connessioni da
300A in stazione e 500A in linea con ingombri come da disegno
Allegato:
ci 1977 1993.jpeg
ci 1977 1993.jpeg [ 45.55 KiB | Osservato 11589 volte ]

ansaldo
Allegato:
ANSALDOGGI.jpeg
ANSALDOGGI.jpeg [ 35.11 KiB | Osservato 11589 volte ]
Allegato:
ansaldoggib.jpeg
ansaldoggib.jpeg [ 27.15 KiB | Osservato 11589 volte ]

site
Allegato:
sitea.jpeg
sitea.jpeg [ 47.59 KiB | Osservato 11589 volte ]
Allegato:
siteb.jpeg
siteb.jpeg [ 51.78 KiB | Osservato 11589 volte ]
Allegato:
site 1.jpeg
site 1.jpeg [ 98.42 KiB | Osservato 11589 volte ]

WattSud
Allegato:
watts300 e 500.jpeg
watts300 e 500.jpeg [ 5.86 KiB | Osservato 11589 volte ]
Allegato:
WATTSUD500.jpeg
WATTSUD500.jpeg [ 120.08 KiB | Osservato 11589 volte ]


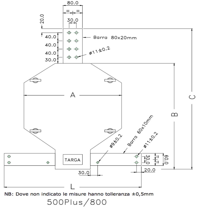
nel 2015 viene stabilita la possibilità di utilizzare in stazione CI da 800A, e viene deciso di realizzare in alluminio non solo le trecce di collegamento ma anche l'avvolgimento interno
ci da 800A caratteristiche 2015
Allegato:
2015.jpeg
2015.jpeg [ 34.21 KiB | Osservato 11142 volte ]
(disegno vedi 1993)
a dicembre 2016 definitiva messa a punto della questione Casse Induttive
da 500A inlinea e stazione per Vmax fino a 160 Km/h
e da 800Ainlinea e stazione per Vmax sup a 160 Km/h e anche Vmax fino a 160Km/h per linee(e relative stazioni) a forte traffico
Allegato:
ci 2016 dis a.jpeg
ci 2016 dis a.jpeg [ 67.44 KiB | Osservato 11589 volte ]
Allegato:
ci2016b.jpeg
ci2016b.jpeg [ 14.11 KiB | Osservato 11589 volte ]
Allegato:
ci 2016a.jpeg
ci 2016a.jpeg [ 81.26 KiB | Osservato 11589 volte ]

a titolo d'esempio la CI 500 prodotta da Wattsud
Allegato:
WATTSUD 500r.jpeg
WATTSUD 500r.jpeg [ 116.85 KiB | Osservato 11589 volte ]


e la CI 800 prodotta da LEF
Allegato:
ci 800 lef.jpeg
ci 800 lef.jpeg [ 138 KiB | Osservato 11589 volte ]


Vi sono anche altre modalità di realizzare cdb: esempio ad audiofrequenza senza necessità “fisica” di giunto isolato etc.... ma evidentemente, a maggior ragione, esulano da queste note.


Ultima modifica di merlotrento il venerdì 19 gennaio 2018, 12:43, modificato 2 volte in totale.

Top
 Profilo  
 
 Oggetto del messaggio: Re: casse induttive note a fini modellistici
MessaggioInviato: giovedì 18 gennaio 2018, 13:59 
Non connesso

Iscritto il: venerdì 13 gennaio 2006, 20:13
Messaggi: 698
Località: Torino
Grazie per aver condiviso tutte queste preziose informazioni!
gentile, disponibile, preciso!
:D


Top
 Profilo  
 
 Oggetto del messaggio: Re: casse induttive note a fini modellistici
MessaggioInviato: giovedì 18 gennaio 2018, 14:06 
Non connesso

Iscritto il: venerdì 25 novembre 2011, 19:13
Messaggi: 2021
Località: Trieste
Merlotrento: se non ci fosse, bisognerebbe inventarlo. :D

Se per caso non hai niente da fare e ti aggrada, quando hai terminato questo argomento, potresti dare qualche dettaglio sulle cassette (di derivazione, o collegamento) che si trovano a terra negli impianti? Anche quelle sono interessanti ai fini modellistici e così ci aiuti a non spargerle sui plastici come granturco alle galline.

Grazie delle preziose informazioni che condividi.

Ciao
Antonio


Top
 Profilo  
 
 Oggetto del messaggio: Re: casse induttive note a fini modellistici
MessaggioInviato: giovedì 18 gennaio 2018, 15:19 
Non connesso

Iscritto il: venerdì 13 gennaio 2006, 20:13
Messaggi: 698
Località: Torino
Scusa Pietro,
mi viene subito un dubbio.
Le Westinghouse nelle due versioni (anni 60/70 e anni70/80), come anche le Sasib hanno sempre una cassetta elettrica esterna oltre alla cassa induttiva, invece le Ansaldo sembrerebbero non averla, sul disegno.
E' corretto?
Guardando le attrezzature che erano presenti sulla Genova-La Spezia (è la mia linea preferita...) sembrerebbero essere Ansaldo con scatola elettrica affiancata, di dimensioni anche grandi.
(immagine trovata su youtube)
grazie


Allegati:
casse induttive-chiavari-7.jpg
casse induttive-chiavari-7.jpg [ 160.02 KiB | Osservato 11452 volte ]
casse induttive-moneglia-1.jpg
casse induttive-moneglia-1.jpg [ 146.44 KiB | Osservato 11452 volte ]
Top
 Profilo  
 
 Oggetto del messaggio: Re: casse induttive note a fini modellistici
MessaggioInviato: giovedì 18 gennaio 2018, 15:54 
Non connesso

Iscritto il: martedì 7 febbraio 2006, 13:22
Messaggi: 190
Località: Pavia
Grazie Pietro!


Top
 Profilo  
 
 Oggetto del messaggio: Re: casse induttive note a fini modellistici
MessaggioInviato: giovedì 18 gennaio 2018, 18:19 
Non connesso

Iscritto il: lunedì 27 settembre 2010, 20:27
Messaggi: 178
Località: Castel s. Pietro T.
Si tratta dei TA del rilevatore di squilibrio introdotto dopo l’arribo Ddi 633 elettronici
Sentiva se eventuali armoniche di ritorno sulle 2 fughe di rotaia avessero valore di corrrnte diverse
Questi fatto, in particolare situazione, poteva interferire con gli impianti di segnalamento


Top
 Profilo  
 
 Oggetto del messaggio: Re: casse induttive note a fini modellistici
MessaggioInviato: giovedì 18 gennaio 2018, 20:07 
Non connesso

Iscritto il: martedì 26 ottobre 2010, 8:08
Messaggi: 401
Urca: Pietro, grazie !

Mario


Top
 Profilo  
 
 Oggetto del messaggio: Re: casse induttive note a fini modellistici
MessaggioInviato: giovedì 18 gennaio 2018, 22:36 
Non connesso

Iscritto il: mercoledì 20 febbraio 2008, 11:22
Messaggi: 1188
Località: trento
purtroppo non ho foto delle Ansaldo anni 70/80....
direi che in quell'epoca inglobanti il trasformatore di alimentazione/ricezione del cdb siano proprio le Westinghouse, mentre per le SASIB e le Fatme il complesso trasformatori alimentazione/ricezione è ben distinto, sia pure montato nei pressi delle CI..come avviene normalmente oggi.
riporto qui lo schema di principio delle CI cosiddette a Trasformatore
Allegato:
west tr002.jpg
west tr002.jpg [ 22.56 KiB | Osservato 11244 volte ]


Top
 Profilo  
 
 Oggetto del messaggio: Re: casse induttive note a fini modellistici
MessaggioInviato: martedì 29 maggio 2018, 17:38 
Non connesso

Iscritto il: venerdì 13 gennaio 2006, 20:13
Messaggi: 698
Località: Torino
paolo.galetti ha scritto:
Si tratta dei TA del rilevatore di squilibrio introdotto dopo l’arribo Ddi 633 elettronici
Sentiva se eventuali armoniche di ritorno sulle 2 fughe di rotaia avessero valore di corrrnte diverse
Questi fatto, in particolare situazione, poteva interferire con gli impianti di segnalamento

Ritorno sull'argomento.
Paolo, riguardo i TA (trasformatori ausiliari??) avresti delle misure di massima o della immagini? Sto cercando di realizzarle modellisticamente.
Grazie per la precedente info e per eventuali aiuti.


Top
 Profilo  
 
Visualizza ultimi messaggi:  Ordina per  
Apri un nuovo argomento Rispondi all’argomento  [ 11 messaggi ] 

Tutti gli orari sono UTC + 1 ora [ ora legale ]


Chi c’è in linea

Visitano il forum: Google [Bot] e 20 ospiti


Non puoi aprire nuovi argomenti
Non puoi rispondere negli argomenti
Non puoi modificare i tuoi messaggi
Non puoi cancellare i tuoi messaggi
Non puoi inviare allegati

Cerca per:
Vai a:  
banner_piko

Duegi Editrice - Via Stazione 10, 35031 Abano Terme (PD). Italy - Tel. 049.711.363 - Fax 049.862.60.77 - duegi@duegieditrice.it - shop@duegieditrice.it
Direttore editoriale: Luigi Cantamessa - Amministratore unico: Federico Mogioni - Direttore responsabile: Pietro Fattori.
Registro Operatori della Comunicazione n° 37957. Partita iva IT 05448560283 Tutti i diritti riservati Duegi Editrice Srl