Oggi è giovedì 30 aprile 2026, 8:55

Tutti gli orari sono UTC + 1 ora [ ora legale ]




Apri un nuovo argomento Rispondi all’argomento  [ 12 messaggi ] 
Autore Messaggio
 Oggetto del messaggio: ELETTROTECNICA: Regolatori Gaugemaster
MessaggioInviato: lunedì 14 gennaio 2013, 22:11 
Non connesso

Iscritto il: venerdì 30 marzo 2012, 22:01
Messaggi: 60
Località: Romano di Lombardia BG
Qualcuno di voi conosce i regolatori Gaugemaster, inglesi ,a corrente pulsante? Mi è stato detto che si entra in corrente alternata ed esce in corrente continua.......e i treni funzionano con minimi eccezzionali.( anche gli obsoleti vecchi motori RR).
Grazie


Top
 Profilo  
 
 Oggetto del messaggio: Re: Regolatori Gaugemaster
MessaggioInviato: martedì 15 gennaio 2013, 0:00 
Non connesso

Iscritto il: mercoledì 5 aprile 2006, 16:11
Messaggi: 5084
Località: Pistoia
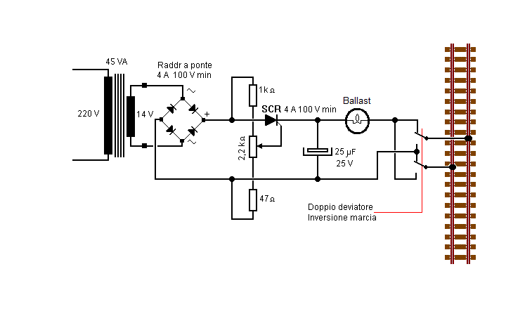
Questo tipo di alimentatore ha un minimo eccezionale, con tutti i motori, non funzionano, però, i digitalizzati. Il ballast è una normale lampada auto da 12 V - 40 W.


Allegati:
Alimentatore a SCR.GIF
Alimentatore a SCR.GIF [ 8.89 KiB | Osservato 4340 volte ]
Top
 Profilo  
 
 Oggetto del messaggio: Re: Regolatori Gaugemaster
MessaggioInviato: martedì 15 gennaio 2013, 10:40 
Non connesso

Iscritto il: lunedì 30 gennaio 2006, 16:32
Messaggi: 104
Località: Roma
Scusa Marcello, ma il regolatore di tensione dov'e'?


Top
 Profilo  
 
 Oggetto del messaggio: Re: Regolatori Gaugemaster
MessaggioInviato: martedì 15 gennaio 2013, 10:43 
Non connesso

Iscritto il: mercoledì 5 aprile 2006, 16:11
Messaggi: 5084
Località: Pistoia
E' il potenziometro da 2,2K; tutto il circuito è un regolatore a parzializzazione d'onda.


Top
 Profilo  
 
 Oggetto del messaggio: Re: Regolatori Gaugemaster
MessaggioInviato: martedì 15 gennaio 2013, 11:42 
Non connesso

Iscritto il: sabato 27 ottobre 2007, 9:02
Messaggi: 2853
Località: Torino
Marcello, con tutto il bene che ti voglio, basta con schemi di un secolo fa!!! :lol: Saranno buoni e funzionanti ma siamo nel 21esimo secolo, tra un pò andremo su Marte e tu mi usi ancora i 100Hz della rete parziallizzati!.... Almeno un NE555 e un mosfettino che generano un PWM da 15KHz li possiamo usare? :mrgreen: :mrgreen:

In amicizia e con massimo rispetto. :wink:
Despx


Top
 Profilo  
 
 Oggetto del messaggio: Re: Regolatori Gaugemaster
MessaggioInviato: martedì 15 gennaio 2013, 14:52 
Non connesso

Iscritto il: mercoledì 5 aprile 2006, 16:11
Messaggi: 5084
Località: Pistoia
Li dobbiamo usare!

Ma vuoi mettere la semplicità di 4 saldature con un risultato eccellente alla portata di chi non è un genio in elettronica?

Comunque postalo uno schemettino come ti piace, sarà sicuramente il benvenuto.


Top
 Profilo  
 
 Oggetto del messaggio: Re: Regolatori Gaugemaster
MessaggioInviato: martedì 15 gennaio 2013, 18:48 
Non connesso

Iscritto il: venerdì 13 gennaio 2006, 17:35
Messaggi: 4160
Località: Calabria del Nord:Castelcrati Terme(nome brevettato!)
Eh eh...shhh...non lo dite in giro,ma.... anch'io ogni tanto attacco alla presa il mio caro vecchio RT3 per far girare quei 4-5 modelli RR e Roco che di sicuro non digitalizzerò! :mrgreen:

Raddrizzati saluti e con disgiuntori termici....

(Ciao Carlo!!)


Top
 Profilo  
 
 Oggetto del messaggio: Re: Regolatori Gaugemaster
MessaggioInviato: martedì 15 gennaio 2013, 18:56 
Non connesso

Iscritto il: sabato 27 ottobre 2007, 9:02
Messaggi: 2853
Località: Torino
Eccellente mi sembra proprio fuori posto...diciamo accettabile visto che le loco a 100Hz fischiano che è un piacere...ora se è una taurus posso ancora capire ma una trifase o peggio una 640 che rumoreggiano come se avessero un aviamento a chopper mi fa sorridere e rabbrividire al tempo stesso.... ma degustibus :wink:
Per trovare uno schema pwm con un NE555 ti basta scrivere su google "ne555 pwm" e ti esce il mondo poi basta andare su Immagini e trovi l'impossibile di schemi del caso...anche spiegati in italiano...for dummies... ma se vuoi continuare a giocherellare con src e triac fa pure... ho anche delle valvole..se vuoi te le regalo sai che controllo eccellente ottieni con le armoniche pari... :wink:

Despx


Top
 Profilo  
 
 Oggetto del messaggio: Re: Regolatori Gaugemaster
MessaggioInviato: martedì 15 gennaio 2013, 21:15 
Non connesso

Iscritto il: venerdì 30 marzo 2012, 22:01
Messaggi: 60
Località: Romano di Lombardia BG
In base alle vostre risposte mi sono perso.
Comunque il regolatore l'ho trovato è doppio ed è uno spettacolo.
Dovreste vedere come si muovono le vecchie locomotive RR , minimi impensabili.
Non potete immaginare i minimi delle locomotive nuova generazione, una goduria.
E' logico che stiamo parlando di analogico.
Ciaooo


Allegati:
Gaugemaster.jpg
Gaugemaster.jpg [ 185.5 KiB | Osservato 4132 volte ]
Top
 Profilo  
 
 Oggetto del messaggio: Re: Regolatori Gaugemaster
MessaggioInviato: martedì 15 gennaio 2013, 23:17 
Non connesso

Iscritto il: mercoledì 5 aprile 2006, 16:11
Messaggi: 5084
Località: Pistoia
Il regolatore che hai scelto è doppio, ma è basato sullo stesso principio dello schemino che ho postato, ha la regolazione con SCR (thyristor). In questa pagina ne trovi parecchi http://www.scottpages.net/ReviewOfControllers.html, tra i quali anche il tuo, in versione singola, con tanto di schema (oltre la metà della pagina in basso). Quelli che ho fatto ed usato io (e sono davvero tanti) non hanno mai prodotto un ronzio apprezzabile sulle loco, ovviamente il rumore c'è, ed un po' ci sarebbe anche in CC, ma non è gran che. Piuttosto i regolatori PWM a frequenza più elevata producono il fischio, non quelli a 100 hz, che al massimo producono un ronzio che per il fatto stesso di essere ad una frequenza bassa acusticamente è meno trasducibile. Il bello degli alimentatori ultrasemplici come quello da me postato è la compensazione della coppia (controllo del carico), davvero buona per un circuito così semplice.

Se alziamo la frequenza a 15 Khz il fischio sparisce, ma la compensazione della coppia a bassi regimi (almeno nei casi da me osservati) necessita di un apposito controllo che per essere veramente efficace appesantisce un po' la circuiteria, forse anche a causa delle componenti reattive nei motori che a frequenze più alte non sono più trascurabili.

Questo ciò che ho riscontrato... Ma posso sbagliare.


Top
 Profilo  
 
 Oggetto del messaggio: Re: Regolatori Gaugemaster
MessaggioInviato: mercoledì 16 gennaio 2013, 20:30 
Non connesso

Iscritto il: domenica 14 marzo 2010, 21:37
Messaggi: 1994
Località: Faenza
Marcello (PT) ha scritto:
Il bello degli alimentatori ultrasemplici come quello da me postato è la compensazione della coppia (controllo del carico), davvero buona per un circuito così semplice.
Se alziamo la frequenza a 15 Khz il fischio sparisce, ma la compensazione della coppia a bassi regimi (almeno nei casi da me osservati) necessita di un apposito controllo che per essere veramente efficace appesantisce un po' la circuiteria ... Questo ciò che ho riscontrato...

Per quanto riguarda le autocostruzioni, è quello che ho riscontrato anch' io, nel mio piccolo.


Stefano Minghetti


Top
 Profilo  
 
 Oggetto del messaggio: Re: Regolatori Gaugemaster
MessaggioInviato: mercoledì 16 gennaio 2013, 22:42 
Non connesso

Iscritto il: venerdì 20 gennaio 2006, 19:41
Messaggi: 2863
Marcello (PT) ha scritto:
Il bello degli alimentatori ultrasemplici come quello da me postato è la compensazione della coppia (controllo del carico), davvero buona per un circuito così semplice.


E' la stessa cosa che ho riscontrato anch'io ma non nel mio "piccolo" ma nel mio "grande" visto che di quel tipo di alimentatori (poco più complessi) nel mio plastico ne ho installati 36... :mrgreen:


Top
 Profilo  
 
Visualizza ultimi messaggi:  Ordina per  
Apri un nuovo argomento Rispondi all’argomento  [ 12 messaggi ] 

Tutti gli orari sono UTC + 1 ora [ ora legale ]


Chi c’è in linea

Visitano il forum: Nessuno e 18 ospiti


Non puoi aprire nuovi argomenti
Non puoi rispondere negli argomenti
Non puoi modificare i tuoi messaggi
Non puoi cancellare i tuoi messaggi
Non puoi inviare allegati

Cerca per:
Vai a:  
banner_piko

Duegi Editrice - Via Stazione 10, 35031 Abano Terme (PD). Italy - Tel. 049.711.363 - Fax 049.862.60.77 - duegi@duegieditrice.it - shop@duegieditrice.it
Direttore editoriale: Luigi Cantamessa - Amministratore unico: Federico Mogioni - Direttore responsabile: Pietro Fattori.
Registro Operatori della Comunicazione n° 37957. Partita iva IT 05448560283 Tutti i diritti riservati Duegi Editrice Srl