Oggi è lunedì 20 aprile 2026, 8:50

Tutti gli orari sono UTC + 1 ora [ ora legale ]




Apri un nuovo argomento Rispondi all’argomento  [ 14 messaggi ] 
Autore Messaggio
 Oggetto del messaggio: ELETTROTECNICA: Impianto elettrico e blocco automatico
MessaggioInviato: giovedì 8 agosto 2013, 14:09 
Non connesso

Iscritto il: venerdì 19 luglio 2013, 12:25
Messaggi: 147
Località: Carate Brianza
Buongiorno a tutti, sono nuovo di questo forum e sto leggendo con attenzione i vari argomenti presentati nel tempo.
Sto riprendendo la vecchia passione mai sopita e sto costruendo (lentamente) un piccolo plastico; per ora mi sto dilettanto con la posa dei binari e con la parte paesaggistica ma sto anche pensando al come fare per quello che riguarderà il cosiddetto impianto elettrico.
Dato che i modelli che posseggo risalgono a molti anni fa, avrei pensato di rimanere almeno per il momento nel mondo analogico senza però troncarmi la possibilità per il futuro di passare al digitale.
Leggendo sui vari forum ho trovato articoli sia sugli alimentatori/regolatori sia sul blocco automatico, ma si tratta sempre di qualcosa di disarticolato.
Non è mai stato pensato su questo forum uno spazio dedicato interamente a questi argomenti ?
Ho notato che recentemente è stato inserito un argomento con il titolo "ELETTROTECNICA: L'impianto elettrico." Ho letto tutto con attenzione ma a causa della mia ignoranza spesso mi sono perso.
Occorrerebbe secondo me una trattazione che possa essere seguita anche da persone come me non dotate di una così specifica esperienza, magari aprendo una sezione apposita nel forum.
Tornando all'argomento esposto nel titolo, chiederei se qualcuno sa indirizzarmi verso qualcosa di specifico relativamente appunto all'alimentazione dell'impianto, ed al blocco automatico con sensori di occupazione ecc.
Magari nel forum l'argomento è già stato trattato e mi è suggito.
Luigi
Grazie a tutti.


Top
 Profilo  
 
 Oggetto del messaggio: Re: Impianto elettrico e blocco automatico
MessaggioInviato: giovedì 8 agosto 2013, 14:32 
Non connesso

Iscritto il: mercoledì 5 aprile 2006, 16:11
Messaggi: 5075
Località: Pistoia
Dicci cosa sei in grado di fare, se hai cognizioni di elettrotecnica o elettronica, se hai mai montato qualcosa di elettrico, se preferisci l'elettromeccanico, come vorresti fosse fatto il tuo blocco, e vedrai che qualcosa ne verrà fuori.


Top
 Profilo  
 
 Oggetto del messaggio: Re: Impianto elettrico e blocco automatico
MessaggioInviato: giovedì 8 agosto 2013, 17:00 
Non connesso

Iscritto il: venerdì 19 luglio 2013, 12:25
Messaggi: 147
Località: Carate Brianza
Diciamo che capisco qualcosa di elettronica; nel plastico precedente risalente a circa vent'anni fa avevo costruito dei regolatori ripresi dalla rivista FERMODEL NEWS (vedi foto), recentemente ho costruito dei rilevatori a raggi infrarossi anche questi seguendo le indicazioni di un sito di fermodellismo (vedi foto).
Per quanto riguarda il tipo di blocco automatico mi sarebbe sufficiente una gestione con luci rosso/verde anche se mi rendo perfettamente conto che questo non aderisce alla gestione reale delle ferrovie.
Come già detto sarei orientato per il momento ad una gestione di tipo analogico.
Grazie

Luigi


Allegati:
DSCN1835_r.jpg
DSCN1835_r.jpg [ 245.54 KiB | Osservato 6607 volte ]
DSCN1842_r.jpg
DSCN1842_r.jpg [ 186.27 KiB | Osservato 6607 volte ]
DSCN1836_r.jpg
DSCN1836_r.jpg [ 232.33 KiB | Osservato 6607 volte ]
Top
 Profilo  
 
 Oggetto del messaggio: Re: Impianto elettrico e blocco automatico
MessaggioInviato: lunedì 12 agosto 2013, 13:22 
Non connesso

Iscritto il: venerdì 19 luglio 2013, 12:25
Messaggi: 147
Località: Carate Brianza
Le caratteristiche che avrei pensato sono le seguenti:

max 4 sezioni di blocco e 2 stazioni nascoste;
reed per l'invio dei comandi;
sensori di assorbimento per il rilevamento dei convogli;
segnali a sole luci rosso e verde.

Non so se mi sono dimenticato qualcosa di importante...

Luigi


Top
 Profilo  
 
 Oggetto del messaggio: Re: Impianto elettrico e blocco automatico
MessaggioInviato: martedì 13 agosto 2013, 13:30 
Non connesso

Iscritto il: domenica 14 marzo 2010, 21:37
Messaggi: 1993
Località: Faenza
Luigi,
vedo che ad assemblare circuiti elettronici te la cavi.

Non ho capito cosa tu intenda per "reed per l' invio dei comandi". Non capisco a quali comandi tu ti riferisca.
Citi anche i "sensori ad assorbimento per il rilevamento dei convogli".

Solitamente si usa un solo sistema : o ad assorbimento, o a reed.
Puoi chiarire meglio ?

Tieni conto del fatto che la rilevazione dell' occupazione in analogico è un po' più complicata che in digitale. Questo a causa del fatto che la rilevazione richiede sempre presenza di tensione, mentre la trazione richiede anche assenza di tensione.

Per informazioni sui sistemi a reed e relè, puoi guardare anche quì :

"relais bistabili reed segnali"
viewtopic.php?f=7&t=57445&view=next

Per meccanismi di stazione :
"IDEE & PROGETTI : consigli"
viewtopic.php?f=7&t=64613&p=620310&hilit=IDEE+%26+PROGETTI%3A+consigli#p620310

Nel primo thread citato c' è la base del blocco automatico a relè.
Esso può avere varianti, ma il concetto base è quello.

Lo si può realizzare ponendo un magnete sotto la locomotiva. All' entrata nella sezione aziona un reed, che comanda un relè bistabile. La commutazione del relè rende occupata la sezione e toglie tensione alla sezione precedente. Più avanti (molto più avanti), la locomotiva aziona un altro reed, per liberare la sezione.
E' un sistema semplice, ma non pone al riparo dalla perdita di vagoni a causa di sgancio accidentale.

Altrimenti si può usare il sistema a due magneti. Uno è posto sotto la locomotiva, ma sfalsato rispetto alla mezzeria, l' altro, posto sotto l' ultimo vagone, è sfalsato dal lato opposto.
In questo modo ci saranno reeds ad un lato del binario, ed altri reeds sull' altro lato.
Quelli azionati dalla locomotiva provvederanno ad occupare le sezioni, quelli del carro di coda provvederanno a liberarle.

L' integrazione con una stazione è un' altra cosa. Occorrerebbe avere un' idea del tracciato.

Poi, io avevo preparato un intervento (come al solito, non breve), un po' più generico con alcune definizioni di blocco automatico e due esempi per blocco automatico a relè (a un magnete e a due magneti), con comando del segnale a tre aspetti.
Se interessano, li posso mettere.


Stefano Minghetti


Top
 Profilo  
 
 Oggetto del messaggio: Re: Impianto elettrico e blocco automatico
MessaggioInviato: martedì 13 agosto 2013, 16:36 
Non connesso

Iscritto il: giovedì 21 giugno 2012, 14:23
Messaggi: 3793
Località: Massa Finalese (MO)
Volendo c'era anche il sistema dei pedali ottici e blocco conta assi (presentato su un vecchio numero di TTM). Non so se fa al caso tuo...

Io, per il mio ipotetico (alquanto ipotetico, ipoteticissimo, visto che non c'è nemmeno l'impianto su cui andrebbe montato ma solo il suo progetto) impianto di controllo del plastico, avrei immaginato un sistema ad assorbimento, con diverse sezioni anche all'interno della stazione, e con i rotabili dotati di appositi assi resistivi per assicurare l'occupazione dei binari anche quando non vi sono mezzi sopra. Il problema è stabilire il numero massimo di assi conduttivi che è possibile inserire in un convoglio (alla massima composizione ammessa, ipotizzando tanti carri a 2 assi) coniugando la necessità che sia possibile rilevare tutti i carri e che non si frigga l'alimentatore e tutto il resto per eccessivo passaggio di corrente...

In piena linea il sistema migliore è forse il conta assi, come quello di TTM, ma in stazione, se si prevede di eseguire manovre, esso crea problemi a meno di non complicare il circuito rendendolo capace di rilevare la direzione di marcia...


Top
 Profilo  
 
 Oggetto del messaggio: Re: Impianto elettrico e blocco automatico
MessaggioInviato: martedì 13 agosto 2013, 17:58 
Non connesso

Iscritto il: venerdì 19 luglio 2013, 12:25
Messaggi: 147
Località: Carate Brianza
Stefano, l'alimentatore/regolatore del quale ho postato la foto risale al 1984 quando mi serviva per far funzionare il plastico di quei tempi. A quei tempi avevo una specie di blocco automatico che funzionava in questo modo: un magnete posto sotto la locomotiva andava a chiudere il reed e tramite un relé tagliava l'alimentazione sul binario 1 di stazione, metteva al rosso il semaforo del medesimo binario e dava l'alimentazione al binario 2 di stazione mettendo al verde il semaforo. Il tutto veniva ritardato da un temporizzatore per avere una pausa tra lo stop e la partenza dei due treni. Inoltre tutto avveniva con la medesima tensione sul binario, vale a dire arresti in stazione con brusche frenate ed altrettante ripartenze a razzo.
Questo avveniva 30 anni fa più o meno.
Ora, arrivato alla pensione (mi correggo arrivato all'esodo in attesa di pensione), sono tornato alla vecchia passione, ma, guardadomi un po' in giro mi sembra che ci sono stati grossi passi avanti, e non parlo solo del digitale.
Ho visto che ci sono alimentatori/regolatori in PWM, altri con funzioni di regolazione dei rallentamenti e delle ripartenze, ho visto che ci sono moduli dedicati per ogni singola tratta sezionata ecc.
Non ho sottomano uno schema del plastico che al momento non è ancora completato, ma ti posso dire che è composto da una linea principale con una stazione di transito e due stazioni nascoste, nei tratti compresi tra la stazione principale e quelle nascoste vorrei inserire le sezioni per il blocco automatico; c'è inoltre una linea secondaria con una piccola stazioncina ed una stazione nascosta.
Tornando all'argomento del thread, ribadendo che per il momento mi oriento verso una gestione analogica, vorrei capire quale alimentazione/regolazione adottare, senz'altro avrete già avuto occasione di vedere schemi/progetti in questo senso.
Inoltre, su alcuni siti, mi è già capitato di vedere gestioni di sezioni di blocco ciascuna gestita da un proprio modulo asservito da sensori di assorbimento per dare o meno il consenso alla tratta successiva; vorrei se possibile andare verso questa direzione.
Nel frattempo mi leggerò i thread che mi hai indicato; per quanto riguarda l'intervento che hai preparato direi che nella mia ignoranza qualsiasi chiarimento è il benvenuto.
Grazie

Luigi


Top
 Profilo  
 
 Oggetto del messaggio: Re: ELETTROTECNICA: Impianto elettrico e blocco automatico
MessaggioInviato: giovedì 12 settembre 2013, 8:38 
Non connesso

Iscritto il: venerdì 19 luglio 2013, 12:25
Messaggi: 147
Località: Carate Brianza
Montato il primo sensore ad assorbimento su basetta millefori utilizzando componenti che avevo: 4N35 in luogo del 4N26, 2N1631 invece del 2N1711 (la qualità delle foto riprese con il cellulare non è il massimo).
Ora -nell'ambito del blocco automatico- vorrei (ma non saprei come fare) che quando il sensore rileva la presenza di un treno nella sezione a monte, prevedesse un rallentamento nel tratto di piena linea ed un successivo arresto nel tratto di arresto. Mi sembra di aver capito che il blocco automatico funzioni in questo modo.
Grazie

Luigi


Allegati:
10092013320_r.jpg
10092013320_r.jpg [ 132.58 KiB | Osservato 6196 volte ]
10092013317_r.jpg
10092013317_r.jpg [ 126.7 KiB | Osservato 6196 volte ]
Top
 Profilo  
 
 Oggetto del messaggio: Re: ELETTROTECNICA: Impianto elettrico e blocco automatico
MessaggioInviato: giovedì 12 settembre 2013, 10:43 
Non connesso

Iscritto il: mercoledì 5 aprile 2006, 16:11
Messaggi: 5075
Località: Pistoia
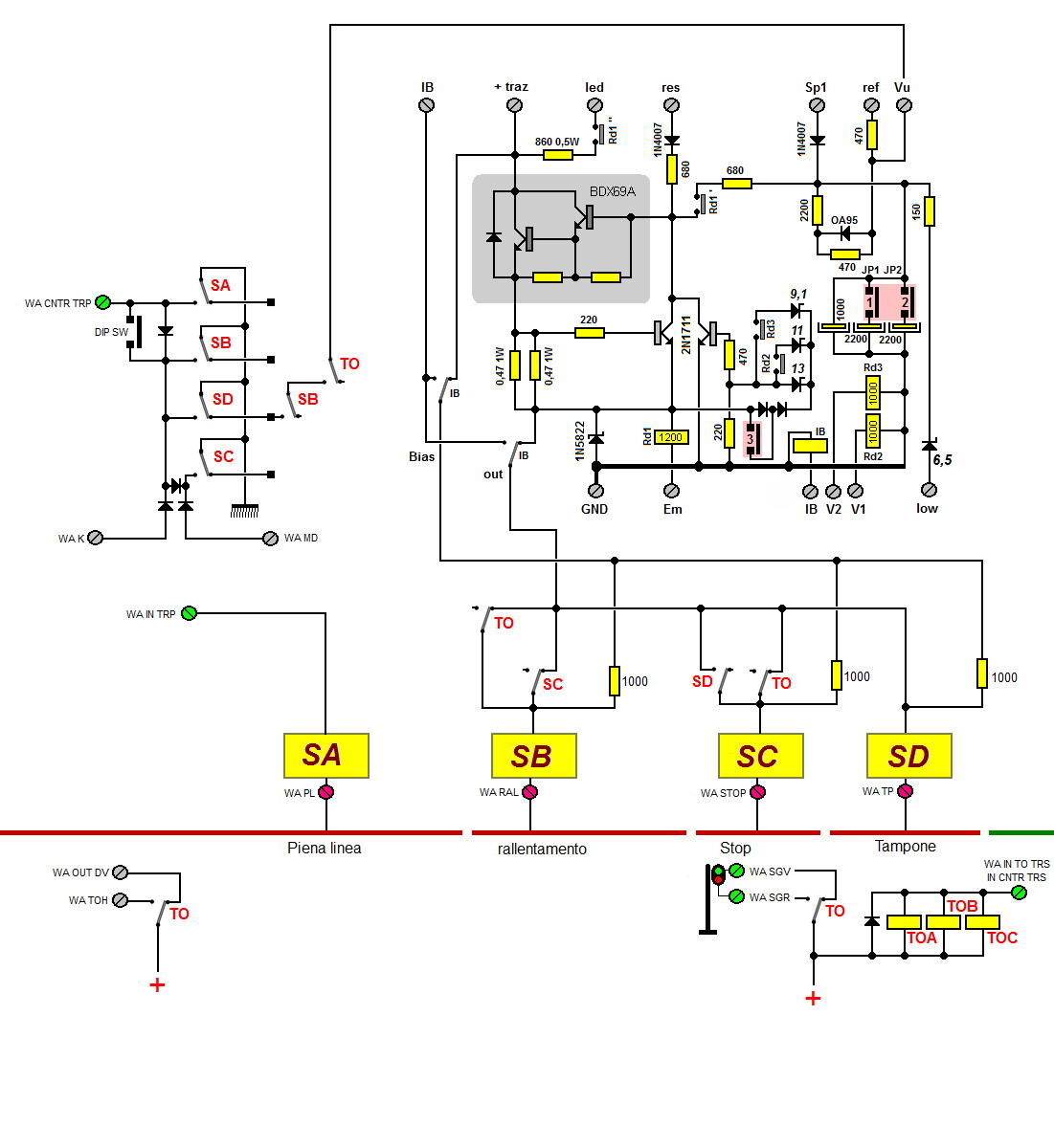
Questo è ciò che faccio io, lo schema è praticamente definitivo, ora sono alle prese con il montaggio. E' riferito ad una tratta, quindi ne occurre uno per ognuna.


Allegati:
ALIM-TRATTE-2.jpg
ALIM-TRATTE-2.jpg [ 143.33 KiB | Osservato 6179 volte ]
Top
 Profilo  
 
 Oggetto del messaggio: Re: ELETTROTECNICA: Impianto elettrico e blocco automatico
MessaggioInviato: giovedì 12 settembre 2013, 19:39 
Non connesso

Iscritto il: venerdì 19 luglio 2013, 12:25
Messaggi: 147
Località: Carate Brianza
Marcello accidenti che schema, arrivo a capirci poco poco. Tu senz'altro devi avere una conoscenza ben appronfondita della materia.
Io pensavo a qualcosa di più facile e che possa capire e mettere in pratica senza grosse difficoltà, il mio tutto sommato è un plastico medio piccolo.
Ho notato che nel tuo schema utilizzi 4 sensori per ogni tratta, c'è forse qualche esigenza particolare nella conduzione del plastico che utilizzerà questo sistema ?

Luigi


Top
 Profilo  
 
 Oggetto del messaggio: Re: ELETTROTECNICA: Impianto elettrico e blocco automatico
MessaggioInviato: giovedì 12 settembre 2013, 21:28 
Non connesso

Iscritto il: mercoledì 5 aprile 2006, 16:11
Messaggi: 5075
Località: Pistoia
Non in particolare, il tutto è dovuto per avere una tratta di rallentamento ed una di stop. Poi se si pensa anche alle doppie trazioni la cosa si complica un po', infatti se hai due loco in testa al treno e la prima entra in un sezionamento fermandosi, mentre la seconda ha ancora le ruote sulla tratta alimentata, succede un pasticcio. Anche se si vuole che un treno con carrozze illuminate non si spenga attraversando le varie zone occorre qualche accorgimento.

Ma tu che tipo di problema hai? Qual'è il tuo tracciato? Quante tratte ha?


Top
 Profilo  
 
 Oggetto del messaggio: Re: ELETTROTECNICA: Impianto elettrico e blocco automatico
MessaggioInviato: giovedì 12 settembre 2013, 22:12 
Non connesso

Iscritto il: venerdì 6 gennaio 2012, 16:05
Messaggi: 1026
Località: Bagno di Gavorrano - Follonica GR
Ciao Marcello, ho già usato i tuoi schemi in passato e vorrei prendere visione anche di questo; al livello elettronico non ho problemi, ma non capisco le varie scritte abbreviate cosa significano e a cosa si collegano, potresti se hai tempo fare una piccola legenda con il significato..

Massimo


Top
 Profilo  
 
 Oggetto del messaggio: Re: ELETTROTECNICA: Impianto elettrico e blocco automatico
MessaggioInviato: giovedì 12 settembre 2013, 23:26 
Non connesso

Iscritto il: mercoledì 5 aprile 2006, 16:11
Messaggi: 5075
Località: Pistoia
Domani non ci sono, ma lo farò nell'altro topic.


Top
 Profilo  
 
 Oggetto del messaggio: Re: ELETTROTECNICA: Impianto elettrico e blocco automatico
MessaggioInviato: venerdì 13 settembre 2013, 15:14 
Non connesso

Iscritto il: venerdì 6 gennaio 2012, 16:05
Messaggi: 1026
Località: Bagno di Gavorrano - Follonica GR
Ti ringrazio Marcello!!


Top
 Profilo  
 
Visualizza ultimi messaggi:  Ordina per  
Apri un nuovo argomento Rispondi all’argomento  [ 14 messaggi ] 

Tutti gli orari sono UTC + 1 ora [ ora legale ]


Chi c’è in linea

Visitano il forum: Google [Bot] e 20 ospiti


Non puoi aprire nuovi argomenti
Non puoi rispondere negli argomenti
Non puoi modificare i tuoi messaggi
Non puoi cancellare i tuoi messaggi
Non puoi inviare allegati

Cerca per:
Vai a:  
banner_piko

Duegi Editrice - Via Stazione 10, 35031 Abano Terme (PD). Italy - Tel. 049.711.363 - Fax 049.862.60.77 - duegi@duegieditrice.it - shop@duegieditrice.it
Direttore editoriale: Luigi Cantamessa - Amministratore unico: Federico Mogioni - Direttore responsabile: Pietro Fattori.
Registro Operatori della Comunicazione n° 37957. Partita iva IT 05448560283 Tutti i diritti riservati Duegi Editrice Srl