Oggi è mercoledì 24 dicembre 2025, 17:26

Tutti gli orari sono UTC + 1 ora [ ora legale ]




Apri un nuovo argomento Rispondi all’argomento  [ 134 messaggi ]  Vai alla pagina Precedente  1 ... 3, 4, 5, 6, 7, 8, 9  Prossimo
Autore Messaggio
 Oggetto del messaggio: Re: classifica dei mezzi di trazione
MessaggioInviato: domenica 15 agosto 2010, 10:18 
Non connesso

Iscritto il: giovedì 9 marzo 2006, 17:46
Messaggi: 203
Per bruciare un E633/632 in composizione occorre che si presentino entrambe le tre situazioni seguenti:
-CEMI non esclude automaticamente i motore quando si disabilita il banco
-contatti del CEMI anormalmente chiusi col CEMI disposto su "TME tutti i motoi esclusi"
-l'ultima trazionata sia stata fatta nel verso opposto alla direzione del viaggio in composizione

La concomitanza è proprio un colpo di sfiga. Normalmente quando si toglie la chiave di banco, il CEMI esclude tutti i motori, quindi il fatto di escluderli manualmente è già supefluo se la spia rossa in corridoio è accesa (indica appunto che tutti i motori sono esclusi). Bisogna poi controllare che i contatti in cabina AT siano effettivamente aperti; alcuni depositi (Bologna per esempio) impongono di zeppare con dei cunei di legno i contatti in modo da tenerli aperti. (questa cosa mi ricorda le littorine FIAT, dove si usavano le zeppe di legno per tenere aperte fisicamente le frizioni se un motore aveva problemi)

Se poi i contatti fossero ancora chiusi c'è il 50% di probabilità di bruciare la macchina: dipende appunto dal verso di magnetizzazione residua dei motori.

In caso di doppia trazione, prima di partire occorre andare un istante in trazione per garantire che l'invertitore sia disposto per il senso di marcia voluto, se già non lo fosse (il solito 50% di probabilità). Altrimenti la loc non va trazione, perchè in movimento non avviene l'inversione (c'è un controllo della centralina Parizzi), quindi nessuna apertura dell'IR.
(anche qui il controllo delle inversioni in movimento mi ricorda un'altra macchina: il 342. Incredibile che a quel tempo avesse già questo optional)


Top
 Profilo  
 
 Oggetto del messaggio: Re: classifica dei mezzi di trazione
MessaggioInviato: domenica 15 agosto 2010, 13:58 
Non connesso

Iscritto il: sabato 14 agosto 2010, 15:26
Messaggi: 42
Risposte interessantissime! Purtroppo sulle tigri ho poca documentazione descrittiva, quindi vado un po' a memoria e senza troppe conferme; leggere questi post è per me utilissimo. Appena riesco, poi, chiederò bene per quella storia dei Sigma, così ci leviamo 'sto dubbio 8)


Top
 Profilo  
 
 Oggetto del messaggio: Re: classifica dei mezzi di trazione
MessaggioInviato: domenica 15 agosto 2010, 16:28 
Non connesso

Iscritto il: sabato 16 settembre 2006, 10:34
Messaggi: 1541
ste.klausen21 ha scritto:
Quindi potremo stimare lo sforzo di trazione semplicemente "sentendo" l' accelerazione del treno.
Con una locomotiva a vapore o con una E633 / E405 / E464 / TAURUS / etc., l' avviamento avverrà senza strattoni. L' accelerazione calerà proporzionalmente al calo di velocità.

Con una locomotiva reostatica, invece, succede qualcosa di differente.
Ad ogni cambio della combinazione dei motori (serie, serie-parallelo, parallelo, etc.), si percepirà uno strattone.
E' causato da una variazione della accelerazione, ovvero della forza di trazione.


E' esattamente quello che avvertivo quando, in partenza da Villa S.G. con espressoni da 18 vetture, si trovava in testa un Caimano oppure successivamente un E652 (poi anche E402). La E656 dava dei notevoli strattoni che avvertivo ancor di più stando in piedi nel corridoio, affacciato al finestrino. Con il tigrone era un andare liscio e progressivo con le 900ton al gancio, e quando stavo nelle ultime carrozze dei treni della sera e non si vedeva la loco di testa, alla partenza l'avvertire la costante accelerazione senza scossoni era una benedizione per tutta la durata dei lunghi viaggi! :P


Top
 Profilo  
 
 Oggetto del messaggio: Re: classifica dei mezzi di trazione
MessaggioInviato: domenica 15 agosto 2010, 20:43 
Non connesso

Iscritto il: sabato 10 luglio 2010, 21:29
Messaggi: 284
Ciao
Mentre ringrazio Archeofer per la sua precisa puntualizzazione, voglio anche correggere una mia inesattezza sui contattori del reostato della 444. Non sono del tipo Gr, ma sono gli R800, in grado di interrompere correnti di 800 A, mentre i P800, sono utilizzati come contattori di linea e di combinazione. Rispetto agli R800, sono dotati di una grossa bobina di soffio che li rende atti ad interrompere correnti fino a 1500 A.
Prima della riqualificazione, la seconda serie rispetto alla prima aveva le seguenti differenze:
- I.R. tipo AEG, da 2400 A., con possibilità di chiusura anche manuale, tramite apposita leva e con modalità di scatto diverse.
-Diversa disposizione delle resistenze del reostato, raggruppate in maniera diversa.
- Aumentato i numeri dei contattori del reostato.
- Antislittante che interviene anche sull'armatura del motore in slittamento, parzializzando parte della corrente di trazione su delle resistenze, in modo di fargli perdere coppia senza la immediata retrocessione dell'avviatore.
- Modifiche varie al circuito di comando e di chiusura/scatto dell'IR.e varie, riguardanti migliorie sul circuito di fren. elettrica, dei relais e dei motoalternatori.


Top
 Profilo  
 
 Oggetto del messaggio: Re: classifica dei mezzi di trazione
MessaggioInviato: domenica 15 agosto 2010, 21:24 
Non connesso

Iscritto il: domenica 14 marzo 2010, 21:37
Messaggi: 1973
Località: Faenza
sincrono,

come ti trovavi con il 636 coi merci ?
Lo ricordo (da passeggero) arrancare sulla leggera livelletta nei pressi di Imola o fra Forlì e Forlimpopoli, quando a 60 .. 70 km/h sembrava che occorresse un' eternità per passare alla combinazione di marcia successiva.
A dire il vero, negli anni '70 tutti i locomotori avevano questo stesso problema.
Che fù superato solo con l' arrivo dell' E646 e, poi, dell' E444.

La stessa cosa succedeva anche al' E326, ma con composizioni decisamente più leggere.
Povero E326, frutto delle scarse conoscenze, delle velleità e, forse, di qualche orgoglio dei suoi tempi.
Di poco più vecchio dell' E636, fù l' ultimo progetto legato alle conoscenze meccaniche dei tempi delle vaporiere.

Quanto alla storia della trazione elettronica in Italia, il tuo spaccato è molto istruttivo e conferma l' impressione avuta da fuori.
La politica e la tecnica non possono coesistere nella stessa azienda. Hanno obbiettivi incompatibili.
Eppure Ansaldo si fà onore nel segnalamento. Ma ogni sezione di un' azienda, ha una storia a sè.

Stefano Minghetti


Top
 Profilo  
 
 Oggetto del messaggio: Re: classifica dei mezzi di trazione
MessaggioInviato: domenica 15 agosto 2010, 21:54 
Non connesso

Iscritto il: sabato 14 agosto 2010, 15:26
Messaggi: 42
Sempre sul 636: come funzionavano a livello circuitale le transizioni? A differenza delle loc. col CEM non si può avanzare in una tirata, pena danni ai contattori (come han fatto quei due macchinisti durante il trasferimento della 002, che hanno pure bloccato chiusi i relé di scatto visto che "continuava a saltare tutto"), ma bisogna sostare nella tacca intermedia e attendere che gli amp. motori vadano a zero... Nel circuito cosa succede?


Top
 Profilo  
 
 Oggetto del messaggio: Re: classifica dei mezzi di trazione
MessaggioInviato: domenica 15 agosto 2010, 23:14 
Non connesso

Iscritto il: sabato 10 luglio 2010, 21:29
Messaggi: 284
ste.klausen21 ha scritto:
sincrono,

come ti trovavi con il 636 coi merci ?
Lo ricordo (da passeggero) arrancare sulla leggera livelletta nei pressi di Imola o fra Forlì e Forlimpopoli, quando a 60 .. 70 km/h sembrava che occorresse un' eternità per passare alla combinazione di marcia successiva.
A dire il vero, negli anni '70 tutti i locomotori avevano questo stesso problema.
Che fù superato solo con l' arrivo dell' E646 e, poi, dell' E444.

La stessa cosa succedeva anche al' E326, ma con composizioni decisamente più leggere.
Povero E326, frutto delle scarse conoscenze, delle velleità e, forse, di qualche orgoglio dei suoi tempi.
Di poco più vecchio dell' E636, fù l' ultimo progetto legato alle conoscenze meccaniche dei tempi delle vaporiere.

Quanto alla storia della trazione elettronica in Italia, il tuo spaccato è molto istruttivo e conferma l' impressione avuta da fuori.
La politica e la tecnica non possono coesistere nella stessa azienda. Hanno obbiettivi incompatibili.
Eppure Ansaldo si fà onore nel segnalamento. Ma ogni sezione di un' azienda, ha una storia a sè.

Stefano Minghetti

Ciao
Ti racconterò come si lavorava sulla linea di Modane con i merci in tripla di 636. A presto!

panoz ha scritto:
Sempre sul 636: come funzionavano a livello circuitale le transizioni? A differenza delle loc. col CEM non si può avanzare in una tirata, pena danni ai contattori (come han fatto quei due macchinisti durante il trasferimento della 002, che hanno pure bloccato chiusi i relé di scatto visto che "continuava a saltare tutto"), ma bisogna sostare nella tacca intermedia e attendere che gli amp. motori vadano a zero... Nel circuito cosa succede?


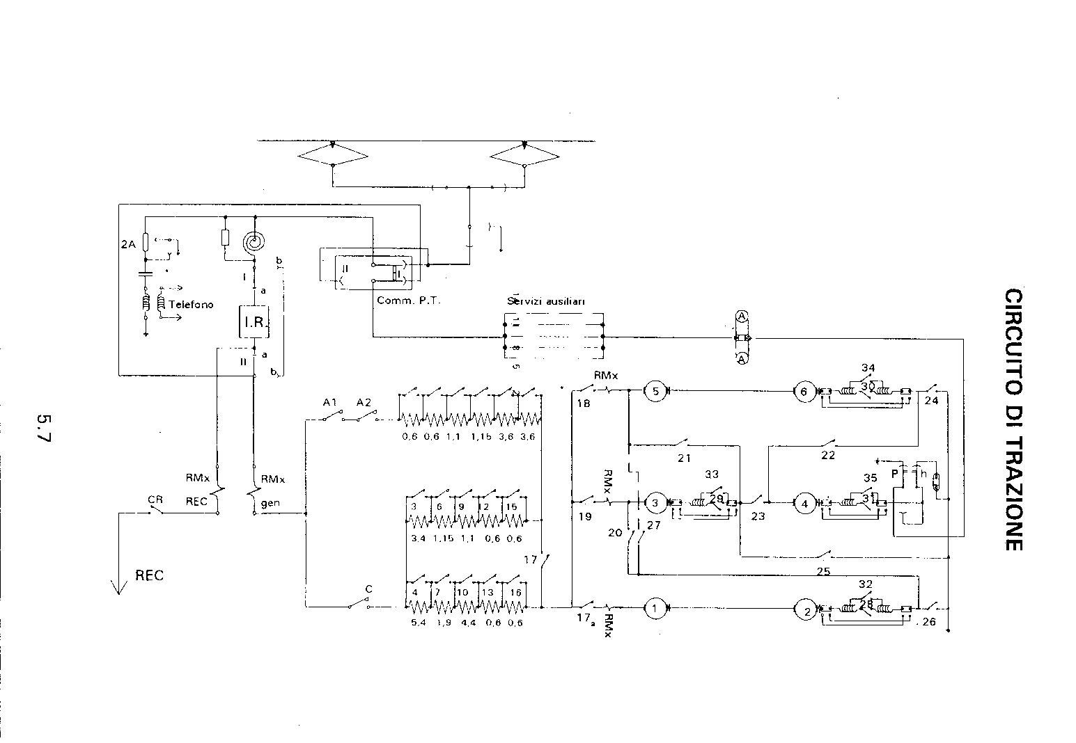
Le transizioni dovevano essere eseguite rispettando i seguenti criteri:
1- ritorno a pieno campo
2- reinserzione parziale del reostato
3- cortocircuitazione del ramo motori da commutare,isolamento e formazione del nuovo ramo
4- alimentazione del nuovo ramo
che in pratica corrisponde, per il passaggio da S SP alle seguenti operazioni:
- retrocessione della maniglia dalla 15° alla 14° posizione per soddisfare la condizione 1 (ritorno a pieno campo)
- con il passaggio della maniglia nel settore transizione, bisogna sostare un attimo per dare il tempo di: Apertura di tutti i contattori del reostato, eccetto il 17 che si era precedentemente chiuso in 15°. Adesso abbiamo inserito solo il ramo superiore del reostato, per un valore di 10,65 Ohm (condizione 2)
- chiusura del contattore 25 che determina la cortocircuitazione dei motori 4-5-6, mentre rimangono in trazione 1-2-3 e contemporanea apertura del contattore 21 che determina l'isolamento del nuovo ramo ( condizione 3)
- Alimentazione nuovo ramo, tramite chisura del cont.18 (maniglia in 16° posizione -condizione 4).
In 16° tacca avviene anche la chiusura del contattore C, che determina il parallelo del reostato, per adeguarlo alla nuova condizione.(valore 3,2 Ohm)
Da tenere presente che con la chiusura del 25, si accende la lampada bianca del SP, che rimane accesa contemporaneamente alla verde della serie e si azzera l'amperometro, finchè non si apre il 21. L'amperometro torna a segnare alla chiusura del 18.

Questo è quanto succede nel passaggio da S a SP. L'operazione và effettuata lentamente per dare tempo ai contattore 21 di aprirsi prima della chiusura del 18 che, se fossero entrambe chiusi, provocherebbe un vero cortocircuito in A.T.
Domanda. Ma dove gli hanno presi i due scalzacani che hanno condotto la 002?
Spero di averti soddisfatto o vuoi anche il passaggio in P?
Ciao


Ultima modifica di sincrono il lunedì 16 agosto 2010, 23:13, modificato 2 volte in totale.

Top
 Profilo  
 
 Oggetto del messaggio: Re: classifica dei mezzi di trazione
MessaggioInviato: lunedì 16 agosto 2010, 1:29 
Non connesso

Iscritto il: sabato 14 agosto 2010, 15:26
Messaggi: 42
Grazie mille, molto interessante... Mi devo creare un piccolo archivietto con tutti questi interventi 8)

sincrono ha scritto:
Domanda. Ma dove gli hanno presi i due scalzacani che hanno condotto la 002?


Al momento non ricordo con esattezza se fossero addirittura abilitati alla loc., va da sé che lo fossero stati le già minime scusanti cadrebbero del tutto :shock:
Se ricordo bene avevano bruciato proprio il contattore 21. Appena becco il mio amico del FerAlp gli chiedo come andò la vicenda esattamente :?

Cita:
Spero di averti soddisfatto o vuoi anche il passaggio in P?


Se hai voglia... Qui non si butta via niente :mrgreen:
Peccato solo non avere qualche schema sottomano, ma magari in giro riesco a trovare qualcosa Immagine


Top
 Profilo  
 
 Oggetto del messaggio: Re: classifica dei mezzi di trazione
MessaggioInviato: lunedì 16 agosto 2010, 9:20 
Non connesso

Iscritto il: sabato 10 luglio 2010, 21:29
Messaggi: 284
Peccato solo non avere qualche schema sottomano, ma magari in giro riesco a trovare qualcosa Immagine[/quote]

Ho provato ad allegare lo schema ma, dato che io abito in c..- ai lupi, l'adsl non ce l'ho ( e neanche le chiavette funzionano), non ci sono riscito. Riproverò con uno schema a formato. ridotto


Top
 Profilo  
 
 Oggetto del messaggio: Re: classifica dei mezzi di trazione
MessaggioInviato: lunedì 16 agosto 2010, 9:50 
Non connesso

Iscritto il: domenica 29 gennaio 2006, 18:39
Messaggi: 157
Località: Casale Monferrato
panoz ha scritto:
... Se ricordo bene avevano bruciato proprio il contattore 21. ...


hei panoz !!!
:D intanto c'è sempre qualcuno che se lo cambia il contattore 21 :wink:
e quel che resta dei contatti lo conserviamo ancora di ricordo!

salut


Top
 Profilo  
 
 Oggetto del messaggio: Re: classifica dei mezzi di trazione
MessaggioInviato: lunedì 16 agosto 2010, 10:21 
Non connesso

Iscritto il: domenica 14 marzo 2010, 21:37
Messaggi: 1973
Località: Faenza
Il circuito di trazione del E636 si trova nel sito :

http://www.e636.it/tecnica2.html

per sincrono
Per il racconto delle triple di Modane, leggerò volentieri i tuoi racconti.

Stefano Minghetti


Top
 Profilo  
 
 Oggetto del messaggio: Re: classifica dei mezzi di trazione
MessaggioInviato: lunedì 16 agosto 2010, 10:38 
Non connesso

Iscritto il: sabato 10 luglio 2010, 21:29
Messaggi: 284
ste.klausen21 ha scritto:
Il circuito di trazione del E636 si trova nel sito :

http://www.e636.it/tecnica2.html

per sincrono
Per il racconto delle triple di Modane, leggerò volentieri i tuoi racconti.

Stefano Minghetti

Grazie. Ho bisogno di aiuto, ma come si allegano le immagini?


Top
 Profilo  
 
 Oggetto del messaggio: Re: classifica dei mezzi di trazione
MessaggioInviato: lunedì 16 agosto 2010, 12:15 
Non connesso

Iscritto il: giovedì 9 marzo 2006, 17:46
Messaggi: 203
sotto al quadro dove scrivi c'è un altro quadro "Invia allegato"
Clicchi su Sfoglia e inserisci la foto, riduci la larghezza a 1000 pixel così ci sta nella pagina, alla fine clicchi sull'invia che c'è sotto.


Top
 Profilo  
 
 Oggetto del messaggio: Re: classifica dei mezzi di trazione
MessaggioInviato: lunedì 16 agosto 2010, 14:07 
Non connesso

Iscritto il: sabato 10 luglio 2010, 21:29
Messaggi: 284
Vediamo se ci riesco ad inviare sto dannato schema!


Allegati:
scansione0001.jpg
scansione0001.jpg [ 220.8 KiB | Osservato 1730 volte ]
Top
 Profilo  
 
 Oggetto del messaggio: Re: classifica dei mezzi di trazione
MessaggioInviato: mercoledì 18 agosto 2010, 20:14 
Non connesso

Iscritto il: domenica 14 marzo 2010, 21:37
Messaggi: 1973
Località: Faenza
sincrono,

hai voglia di raccontare delle triple di E636 sul Frejius ?
Mi piacciono le avventure elettro-ferroviarie !

Stefano Minghetti


Top
 Profilo  
 
Visualizza ultimi messaggi:  Ordina per  
Apri un nuovo argomento Rispondi all’argomento  [ 134 messaggi ]  Vai alla pagina Precedente  1 ... 3, 4, 5, 6, 7, 8, 9  Prossimo

Tutti gli orari sono UTC + 1 ora [ ora legale ]


Chi c’è in linea

Visitano il forum: Nessuno e 24 ospiti


Non puoi aprire nuovi argomenti
Non puoi rispondere negli argomenti
Non puoi modificare i tuoi messaggi
Non puoi cancellare i tuoi messaggi
Non puoi inviare allegati

Cerca per:
Vai a:  
banner_piko

Duegi Editrice - Via Stazione 10, 35031 Abano Terme (PD). Italy - Tel. 049.711.363 - Fax 049.862.60.77 - duegi@duegieditrice.it - shop@duegieditrice.it
Direttore editoriale: Luigi Cantamessa - Amministratore unico: Federico Mogioni - Direttore responsabile: Pietro Fattori.
Registro Operatori della Comunicazione n° 37957. Partita iva IT 05448560283 Tutti i diritti riservati Duegi Editrice Srl