Oggi è lunedì 30 marzo 2026, 18:44

Tutti gli orari sono UTC + 1 ora [ ora legale ]




Apri un nuovo argomento Rispondi all’argomento  [ 104 messaggi ]  Vai alla pagina Precedente  1, 2, 3, 4, 5, 6, 7  Prossimo
Autore Messaggio
 Oggetto del messaggio: Re: Ancora un aiuto sul digitale: decoder sconosciuto e naiv
MessaggioInviato: martedì 12 febbraio 2019, 22:00 
Non connesso

Iscritto il: domenica 15 luglio 2007, 9:46
Messaggi: 6840
Località: Regione FVG
E656-024 ha scritto:
Carmelo Ferrante ha scritto:
E656-024,
tu mi dici che il pin 7 della presa non è collegato a nulla, ma io vedo in trasparenza una pista sull'altra faccia del circuito stampato, iniziamo da qui?


Carmelo, nell'ottica di capirci e senza polemica alcuna, posso invitarti a rileggere quello che ho scritto?
Mi sforzo sempre di dettagliare al massimo quello che dico, perchè penso sia importante per aiutare le persone a vedere quello che vedo io senza lasciare spazio all'immaginazione.
Ho descritto per me quale è il pin n.7 credo abbastanza ampiamente, ed a quello che a cui mi riferisco nei post, confermo che non è attaccato nulla.
Ecco lo schema NMRA a cui mi rifaccio: https://dccwiki.com/File:NMRA-8pinwiring.png
In ogni caso, se servono ulteriori delucidazioni, sono certamente super disponibile! :)
Alla fine, l'obiettivo e risolvere il problema!

In effetti io il pin 7 lo vedo non collegato a nulla. Sarà uno di quei PCB studiati per i decoder che hanno solo 7 fili.
Mi sono scaricato la foto e studio offline come la corrente passi sulle lampadine, poi dico cosa ho capito io.
EDIT: spero di aver capito male, ma potrebbe essere che i diodi facciano circolare la corrente nelle lampadine al contrario, per cui in digitale sono spente mentre in analogico si accendono. Ricordo di aver avuto un simile problema con una 290 DB, sempre Roco: ho dovuto cambiare le lampadine con dei LED gialli (ne avevo trovato un tipo che dava una luce simile a quelle delle lampadine). Non avevo il "tappo" per cui non l'ho provata in analogico puro.


Top
 Profilo  
 
 Oggetto del messaggio: Re: Ancora un aiuto sul digitale: decoder sconosciuto e naiv
MessaggioInviato: martedì 12 febbraio 2019, 22:50 
Non connesso

Iscritto il: sabato 14 gennaio 2006, 16:20
Messaggi: 897
E656-024 ha scritto:
Carmelo, nell'ottica di capirci e senza polemica alcuna, posso invitarti a rileggere quello che ho scritto? ...
Alla fine, l'obiettivo e risolvere il problema!
Giuro! nessun intento polemico, e se cosí è sembrato è stato un malinteso! :)
Ho riletto tutto e ho anche visto delle foto che in un primo tempo mi erano sfuggite, parlo di https://imgur.com/gallery/5GSBODd.
In quelle foto si vede il decoder comprensivo di cavo blu, ma non la spina. Ora, a meno che qualcuno non si sia divertito a giocare con il saldatore, quel cavo blu finisce sul pin 7 della spina:
Allegato:
nem622.jpg
nem622.jpg [ 14.76 KiB | Osservato 3718 volte ]
Ora passiamo alla presa sul circuito stampato della locomotiva (https://imgur.com/gallery/aeB7qvz), non essendo in alcun modo evidenziato dal produttore il pin 1, e dato che i pin 1 e 5, 8 e 4 e 2 e 6 sono "grossomodo" intercambiabili, il pin 7 può essere il secondo da sinistra sulla fila in alto, piuttosto che il terzo sulla fila in basso; ma dato che il terzo sulla fila in basso sembra non avere una qualche continuità, mentre il secondo sulla fila in alto sicuramente ce l'ha (pista dalla parte opposta sovrastampata in giallo), ne deduco che il pin 7 (blu) sia quello, confortato anche sia dal fatto che ai tempi di quella locomotiva funzioni aggiuntive erano piú uniche che rare che dall'immagine https://imgur.com/gallery/5GSBODd.


Top
 Profilo  
 
 Oggetto del messaggio: Re: Ancora un aiuto sul digitale: decoder sconosciuto e naiv
MessaggioInviato: martedì 12 febbraio 2019, 22:54 
Non connesso

Iscritto il: mercoledì 12 ottobre 2016, 10:50
Messaggi: 976
snajper ha scritto:
EDIT: spero di aver capito male, ma potrebbe essere che i diodi facciano circolare la corrente nelle lampadine al contrario, per cui in digitale sono spente mentre in analogico si accendono.

Interessante… per le mie conoscenze, da approfondire… nel senso che non mi viene nulla per escludere l'opzione.
Giusto due considerazioni così come passano nella mente. Considerando quello che dici:
1) piuttosto che avere le lampadine sempre spente, mi aspetterei che se ne accenda almeno una... quella governata dai due diodi in antiparallelo. Alla fine, quel meccanismo serve per mantenere sempre accesa la lampadina, qualunque sia il verso della corrente che scorre (in analogico);
2) per quale motivo allora, in certe configurazioni decoder/verso di inserimento plug, le lampadine si accendono?

snajper ha scritto:
Ricordo di aver avuto un simile problema con una 290 DB, sempre Roco: ho dovuto cambiare le lampadine con dei LED gialli (ne avevo trovato un tipo che dava una luce simile a quelle delle lampadine). Non avevo il "tappo" per cui non l'ho provata in analogico puro.


Qui, a meno che non mi stia perdendo qualche pezzo per strada, proprio non lo capisco: le lampadine si accendono qualunque sia il verso della corrente che scorre al loro interno. Non vedo perchè se la corrente scorre al contrario, perchè non si dovebbero accendere e sopratutto cosa cambia sostituendole con dei led, che per loro natura desiderano la corrente che scorra in un ben preciso verso.

Cmq, interessante spunto.

Grazie


Top
 Profilo  
 
 Oggetto del messaggio: Re: Ancora un aiuto sul digitale: decoder sconosciuto e naiv
MessaggioInviato: martedì 12 febbraio 2019, 23:16 
Non connesso

Iscritto il: mercoledì 12 ottobre 2016, 10:50
Messaggi: 976
@ Carmelo
:) per carità, nessuna polemica, non ve ne è bisogno! :) Giusto volevo dirti che avevo già postato delle informazioni che rispondevano alle tue domande.

Adesso mi devo muovere, per cui ti rispondo di fretta per quello che posso immediatamente fare (per le opzioni di cui scrivi, mi riservo di guardarle stanotte o domattina appena ho un attimo di pace).

Nel link https://imgur.com/gallery/5GSBODd ci sono un paio di foto in cui si vede il plug del decoder montato sulla locomotiva. dovrebbe essere abbastanza chiaro per capire dove vanno I fili. In quelle foto, il decoder è montato così come l'ho trovato, ovvero al contrario di come dovrebbe andare (fino a prova contraria). Se non le vedi, dimmelo pure che vediamo come fartele avere in maniera diversa.

Invece, a questo link https://imgur.com/gallery/FmesmYe c'è la foto del manuale della loco con una immagine che dovrebbe "suggerire" quale è il pin 1.


Grazie!


Top
 Profilo  
 
 Oggetto del messaggio: Re: Ancora un aiuto sul digitale: decoder sconosciuto e naiv
MessaggioInviato: mercoledì 13 febbraio 2019, 0:59 
Non connesso

Iscritto il: mercoledì 20 settembre 2006, 20:44
Messaggi: 6410
Località: Sorbolo di Sorbolo Mezzani (PR)
Adesso vado a dormire e domani sera verifico ancora e a mente fredda, poi pubblico lo schema che ho ricavato, e che dovrebbe funzionare.
Lo schema lo ho ricavato dalle foto e del PCB e quindi dalla logica che ho dedotto.

Rapidamente posso dire che mi risulta (faccio riferimento all'orientamento delle foto)
Connettore DCC
in basso a sx piedino 1
quindi
8 7 6 5
1 2 3 4

Il pedino 7 va collegato alla lampadiba in alto a sx nel piedino in basso, cioè quello che alimenta il polo centrale della lampada (evidenziato in giallo in una foto del PCB): se manca questo collegamento in digitale le lampade non si accendono. Questo collegamento in analogico non serve, e il filo resta libero non comportando nessun problema.
Siccome il PCB è un doppia faccia controlla che questo collegamento fatto con i rivetti ci sia e funzioni. Se del caso vai di saldatore.

Ci vuole una bella fantasia a ricavare quello schema ... ma se è per quello gli elettromeccanici di una volta facevano di tutto per garantire il funzionanto, anche lasciando poli e fili in tensione a 380 kV, oggi se lo fai rischi la galera.


Top
 Profilo  
 
 Oggetto del messaggio: Re: Ancora un aiuto sul digitale: decoder sconosciuto e naiv
MessaggioInviato: mercoledì 13 febbraio 2019, 2:23 
Non connesso

Iscritto il: mercoledì 12 ottobre 2016, 10:50
Messaggi: 976
Ciao Marco,
Molto promettente quello che dici... e forse la tua intuizione è simile ad una intuizione che ho avuto stasera ma che non ho potuto provare adeguatamente.

Cmq, in attesa che scriva quello a cui sei giunto, è corretto quanto hai scritto qui sotto?
“Rapidamente posso dire che mi risulta (faccio riferimento all'orientamento delle foto)
Connettore DCC
in basso a sx piedino 1
quindi
8 7 6 5
1 2 3 4”
Perché non riesco a capire, in particolare il piedino 1 in basso a sx (dovrebbe essere in alto a sx)

Grazie


Top
 Profilo  
 
 Oggetto del messaggio: Re: Ancora un aiuto sul digitale: decoder sconosciuto e naiv
MessaggioInviato: mercoledì 13 febbraio 2019, 6:00 
Non connesso

Iscritto il: sabato 14 gennaio 2006, 16:20
Messaggi: 897
E656-024,
non ci eravamo proprio capiti! :(
Le mie domande erano volte a farti considerare la possibilità che la spina fosse montata rovescia, adesso che ho visto il foglio istruzioni ne ho la ragionevole certezza, non ci metterei la mano sul fuoco, ma una cena la scommetterei. ;)
A meno che non ci fosse qualche riferimento sotto i punti di colore che hai riportato, da quell'immagine non c'è verso di capire l'orientamento della presa; non bastasse, nelle oltre duecento macchine che ho digitalizzato mi è capitato un paio di volte di incontrare delle istruzioni sbagliate, mentre non mi è mai capitato di trovare una macchina predisposta per la presa a otto poli che non avesse il collegamento per il comune positivo delle funzioni.

Detto questo, ora ti anticipo i test successivi che io farei prima di imbarcarmi a sbrogliare il circuito stampato della macchina:

1) Verificare che i livelli di velocità siano impostati coerentemente nella centralina e nel decoder (14 / 28 o piú - bit 1 della CV #29 che dalla tabella che avevi postato risulta attivo, quindi 28 o piú).

2) Verificare la continuità elettrica tra dove sono saldati i cavi sulla presa e i punti in cui il segnale dovrebbe arrivare (o partire da); potrebbero esserci delle ossidazioni sulla spina e/o sulla presa che fanno da isolante oppure degli strisci non visibili ad occhio nudo sul circuito che interrompono qualche pista.


Top
 Profilo  
 
 Oggetto del messaggio: Re: Ancora un aiuto sul digitale: decoder sconosciuto e naiv
MessaggioInviato: giovedì 14 febbraio 2019, 0:53 
Non connesso

Iscritto il: mercoledì 20 settembre 2006, 20:44
Messaggi: 6410
Località: Sorbolo di Sorbolo Mezzani (PR)
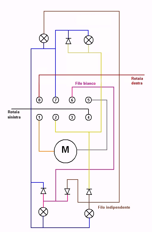
Ecco lo schema promesso, è fatto di corsa, perchè dopo cena ho dovuto collegarrmi ad un impianto per oltre due ore.
Provate tutte le combinazioni possibili, con e senza decoder, rispettando le varie polarità delle correnti circolanti.
I colori rispettano la NEN 652 (ovviamante bianco a parte).
Poi ci ritroviamo qui.

Marco


Allegati:
SCHE_01.jpg
SCHE_01.jpg [ 78.83 KiB | Osservato 3623 volte ]
Top
 Profilo  
 
 Oggetto del messaggio: Re: Ancora un aiuto sul digitale: decoder sconosciuto e naiv
MessaggioInviato: giovedì 14 febbraio 2019, 7:43 
Non connesso

Iscritto il: mercoledì 11 febbraio 2009, 10:24
Messaggi: 259
Località: aosta
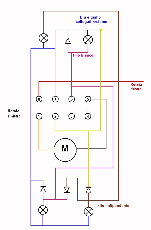
Ciao Marco, mi sembra però che tra il giallo ed il blu ci sia un corto circuito.

Stefano


Top
 Profilo  
 
 Oggetto del messaggio: Re: Ancora un aiuto sul digitale: decoder sconosciuto e naiv
MessaggioInviato: giovedì 14 febbraio 2019, 8:37 
Non connesso

Iscritto il: mercoledì 20 settembre 2006, 20:44
Messaggi: 6410
Località: Sorbolo di Sorbolo Mezzani (PR)
stefano60 ha scritto:
Ciao Marco, mi sembra però che tra il giallo ed il blu ci sia un corto circuito.

Stefano


Opss,
Direi proprio che ho verificato male, ma lo schema 1 in analogico funziona, in digitale ora ho dubbi.
Altro schema porebbe essere questo, ma un diodo fa ancora corto.
D'altra parte dallle foto non si vedono bene le piste sotto, il ns. collega E656-024 riuscirà facilmente a verifica e correggere.
Ora esco e cambio scrivania (mia da un cliente), in giornata se riesco ci ritroviamo qui, ma non mi carico lo schema sul portatile: questa sera, verifichiamo.


Allegati:
SCHE_02.jpg
SCHE_02.jpg [ 75.97 KiB | Osservato 3591 volte ]
Top
 Profilo  
 
 Oggetto del messaggio: Re: Ancora un aiuto sul digitale: decoder sconosciuto e naiv
MessaggioInviato: giovedì 14 febbraio 2019, 19:22 
Non connesso

Iscritto il: domenica 15 luglio 2007, 9:46
Messaggi: 6840
Località: Regione FVG
@marco_58
Io non posso fare una verifica perchè ho adattato il circuito: sei in grado di verificare se con il "tappo" la corrente nelle lampadine scorra all'inverso rispetto al decoder. A me era capitato con una Diesel (290 DB, sempre Roco).


Top
 Profilo  
 
 Oggetto del messaggio: Re: Ancora un aiuto sul digitale: decoder sconosciuto e naiv
MessaggioInviato: venerdì 15 febbraio 2019, 0:15 
Non connesso

Iscritto il: mercoledì 20 settembre 2006, 20:44
Messaggi: 6410
Località: Sorbolo di Sorbolo Mezzani (PR)
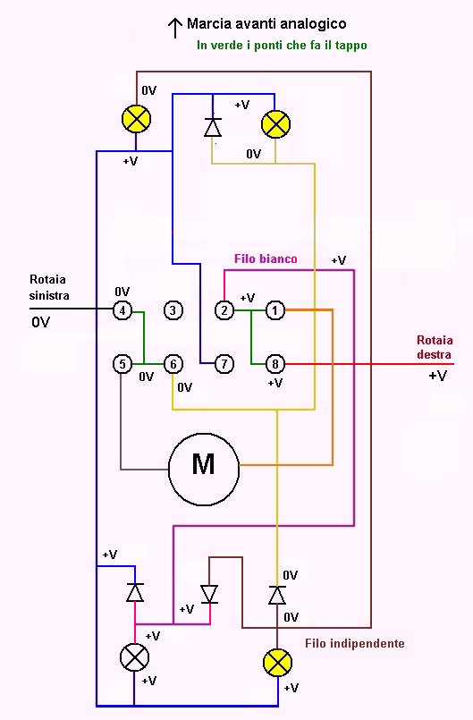
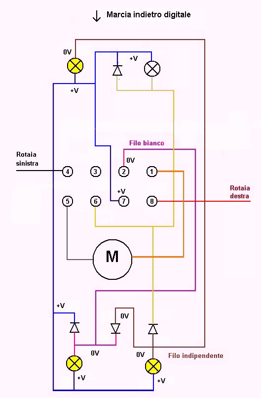
Chi la dura la vince.
Ecco gli schemi delle 4 possibilità inn analogico e digitale.
Se in digitale non funziona: il piedino 7 o/e il filo blu sono scollegati da qualche parte.


Allegati:
SCHE_06.jpg
SCHE_06.jpg [ 105.42 KiB | Osservato 3509 volte ]
SCHE_05.jpg
SCHE_05.jpg [ 99.34 KiB | Osservato 3509 volte ]
SCHE_04.jpg
SCHE_04.jpg [ 115.99 KiB | Osservato 3509 volte ]
SCHE_03.jpg
SCHE_03.jpg [ 114.53 KiB | Osservato 3509 volte ]
Top
 Profilo  
 
 Oggetto del messaggio: Re: Ancora un aiuto sul digitale: decoder sconosciuto e naiv
MessaggioInviato: venerdì 15 febbraio 2019, 12:11 
Non connesso

Iscritto il: mercoledì 12 ottobre 2016, 10:50
Messaggi: 976
Carmelo Ferrante ha scritto:
E656-024,
non ci eravamo proprio capiti! :(
Le mie domande erano volte a farti considerare la possibilità che la spina fosse montata rovescia, adesso che ho visto il foglio istruzioni ne ho la ragionevole certezza, non ci metterei la mano sul fuoco, ma una cena la scommetterei. ;)
A meno che non ci fosse qualche riferimento sotto i punti di colore che hai riportato, da quell'immagine non c'è verso di capire l'orientamento della presa; non bastasse, nelle oltre duecento macchine che ho digitalizzato mi è capitato un paio di volte di incontrare delle istruzioni sbagliate, mentre non mi è mai capitato di trovare una macchina predisposta per la presa a otto poli che non avesse il collegamento per il comune positivo delle funzioni.


Ciao Carmelo, I'm back...
dunque, dalle istruzioni Roco si vede che c'è un filo "rosso-ncione" che indica come mettere il plug del decoder. L'ndicazione è corretta perchè la piedinatura del plug infilata nella presa sul PCB, ritengo porti I fili giusti nei posti giusti. Quindi assumo che sia corretto.
La prima serie di foto, come ho scritto, è stata fatta appena ho aperto la loco, ovvero, per come ho trovato il decoder montato. Che, per quanto detto sopra e descritto nelle istruzione, risulta essere montato al contrario.

Carmelo Ferrante ha scritto:
Detto questo, ora ti anticipo i test successivi che io farei prima di imbarcarmi a sbrogliare il circuito stampato della macchina:

1) Verificare che i livelli di velocità siano impostati coerentemente nella centralina e nel decoder (14 / 28 o piú - bit 1 della CV #29 che dalla tabella che avevi postato risulta attivo, quindi 28 o piú).

2) Verificare la continuità elettrica tra dove sono saldati i cavi sulla presa e i punti in cui il segnale dovrebbe arrivare (o partire da); potrebbero esserci delle ossidazioni sulla spina e/o sulla presa che fanno da isolante oppure degli strisci non visibili ad occhio nudo sul circuito che interrompono qualche pista.


Per il punto 1: la tabella che ho postato è relativa al decoder sconosciuto. DI fatto, oltre quelle CV null'altro viene letto. Il decoder lo considero "rotto".

Punto 2: già fatto. La loco funziona regolarmente senza nessun problema in analogico.


Top
 Profilo  
 
 Oggetto del messaggio: Re: Ancora un aiuto sul digitale: decoder sconosciuto e naiv
MessaggioInviato: venerdì 15 febbraio 2019, 12:56 
Non connesso

Iscritto il: mercoledì 12 ottobre 2016, 10:50
Messaggi: 976
@Marco58: scusami, per l'attesa, non mi sono dimenticato. Spero nel pomeriggio di avere qualche minuto di pace da dedicare alle risposte…


Top
 Profilo  
 
 Oggetto del messaggio: Re: Ancora un aiuto sul digitale: decoder sconosciuto e naiv
MessaggioInviato: venerdì 15 febbraio 2019, 15:03 
Non connesso

Iscritto il: mercoledì 20 settembre 2006, 20:44
Messaggi: 6410
Località: Sorbolo di Sorbolo Mezzani (PR)
E656-024 ha scritto:
@Marco58: scusami, per l'attesa, non mi sono dimenticato. Spero nel pomeriggio di avere qualche minuto di pace da dedicare alle risposte…


Mi sono dimenticato di invertire i colori dei fili ai piedini 2 e 6.
Come si nota dagli schemi, la piedinatura esatta è

4 3 2 1

5 6 7 8


Top
 Profilo  
 
Visualizza ultimi messaggi:  Ordina per  
Apri un nuovo argomento Rispondi all’argomento  [ 104 messaggi ]  Vai alla pagina Precedente  1, 2, 3, 4, 5, 6, 7  Prossimo

Tutti gli orari sono UTC + 1 ora [ ora legale ]


Chi c’è in linea

Visitano il forum: Baidu [Spider], d.pecchioni, friulbahn, Mario67 e 74 ospiti


Non puoi aprire nuovi argomenti
Non puoi rispondere negli argomenti
Non puoi modificare i tuoi messaggi
Non puoi cancellare i tuoi messaggi
Non puoi inviare allegati

Cerca per:
Vai a:  
banner_piko

Duegi Editrice - Via Stazione 10, 35031 Abano Terme (PD). Italy - Tel. 049.711.363 - Fax 049.862.60.77 - duegi@duegieditrice.it - shop@duegieditrice.it
Direttore editoriale: Luigi Cantamessa - Amministratore unico: Federico Mogioni - Direttore responsabile: Pietro Fattori.
Registro Operatori della Comunicazione n° 37957. Partita iva IT 05448560283 Tutti i diritti riservati Duegi Editrice Srl